GM Service Manual Online
For 1990-2009 cars only
Makes
🢒
Pontiac
🢒
2006
🢒
Torrent
🢒
Vehicle Control Systems
🢒
Vehicle DTC Information
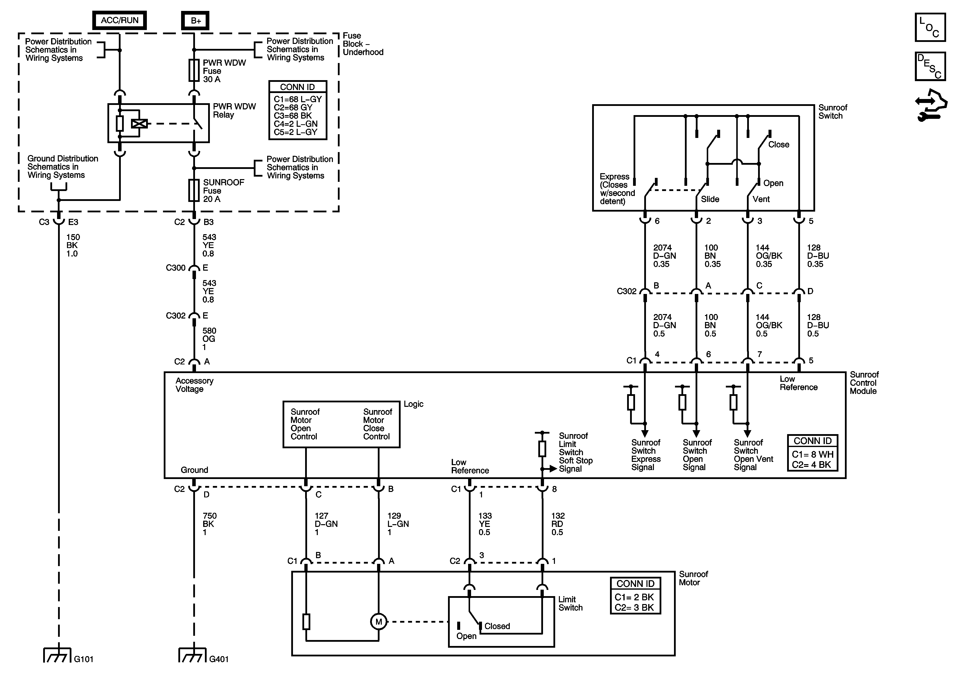
🢒 Sunroof Schematics
Master Electrical Component List
Sunroof Description and Operation
Control Module References
TURN, PRNDL/PWR TRN, BCM/ISRVM, BCM/HVAC and HTD SEATS Fuses
B+ Bus and EPS Fuse
G101
PWR WDW, SUNROOF, 20A ABS, 40A ABS, HVAC BLOWER, AUX OUTLETS, TRAILER, CIGAR AND ECM/TCM Fuses
G101
G401 and G403