GM Service Manual Online
For 1990-2009 cars only
Makes
🢒
Pontiac
🢒
2006
🢒
Torrent
🢒
Body
🢒
Instrument Panel, Gages, and Console
🢒 Instrument Cluster Schematics
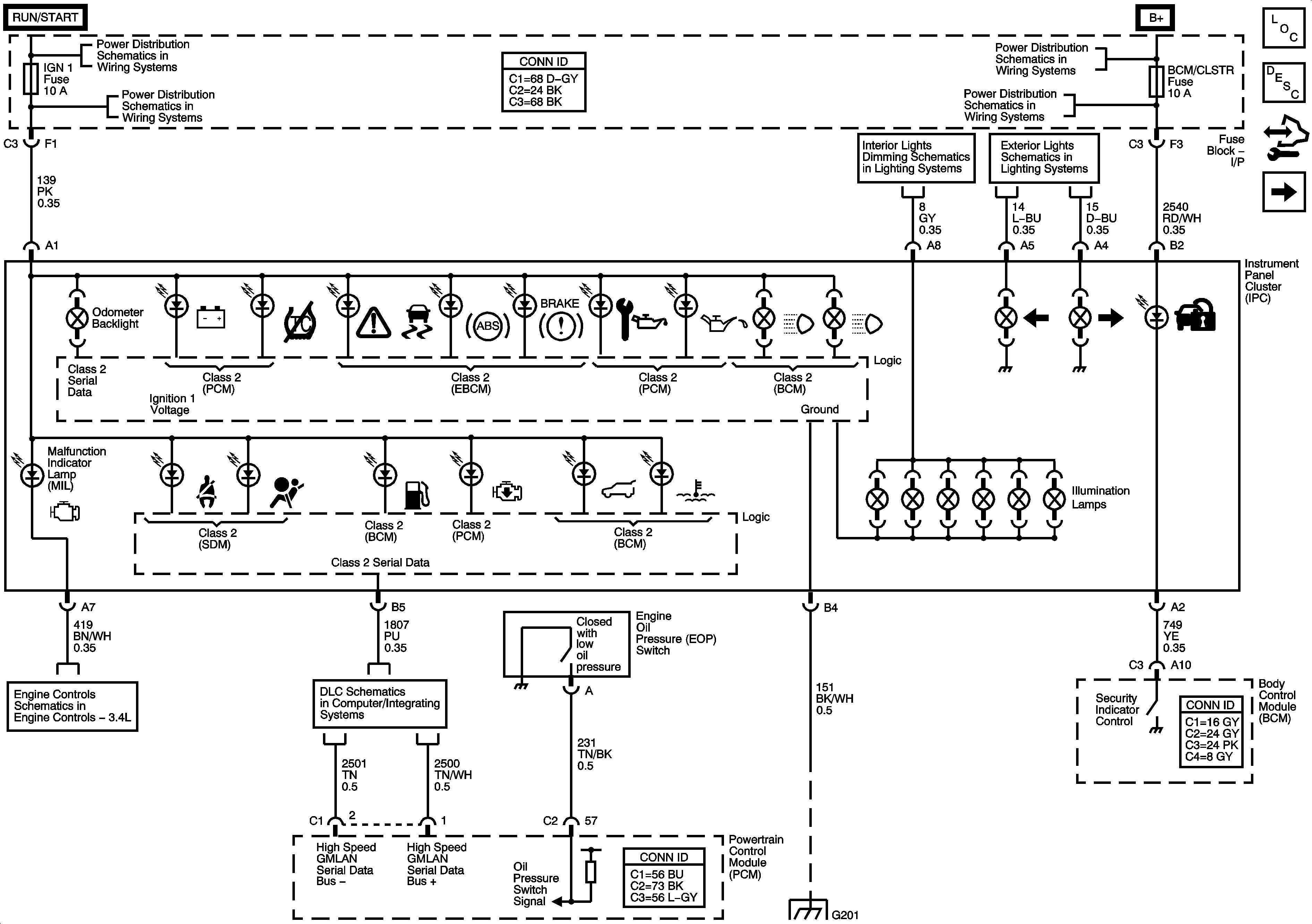
Figure
1:
IPC Indicators, IPC Communication
Master Electrical Component List
Indicator/Warning Message Description and Operation
Control Module References
Gages
IGN FUSE, Ignition Switch and Ignition Circuits
IGN 1, BCM(IGN), AIR BAG, EPS and CRUISE Fuses
POWER SEATS CB, LH HDLP, RH HDLP, HTD SEATS, BRAKE, PREMAUD AND BATT FEED FUSES
RADIO, BCM/CLSTR, INT LTS/ONSTAR, PARK, HZRD and LOCK/MIRROR Fuses
Interior Lights Dimming Schematic
Hazards, Turn Signal Lamps
Power, Ground, ENG MAIN Relay, MIL, PCM Communication
Data Link Communication (DLC) Schematic
G201
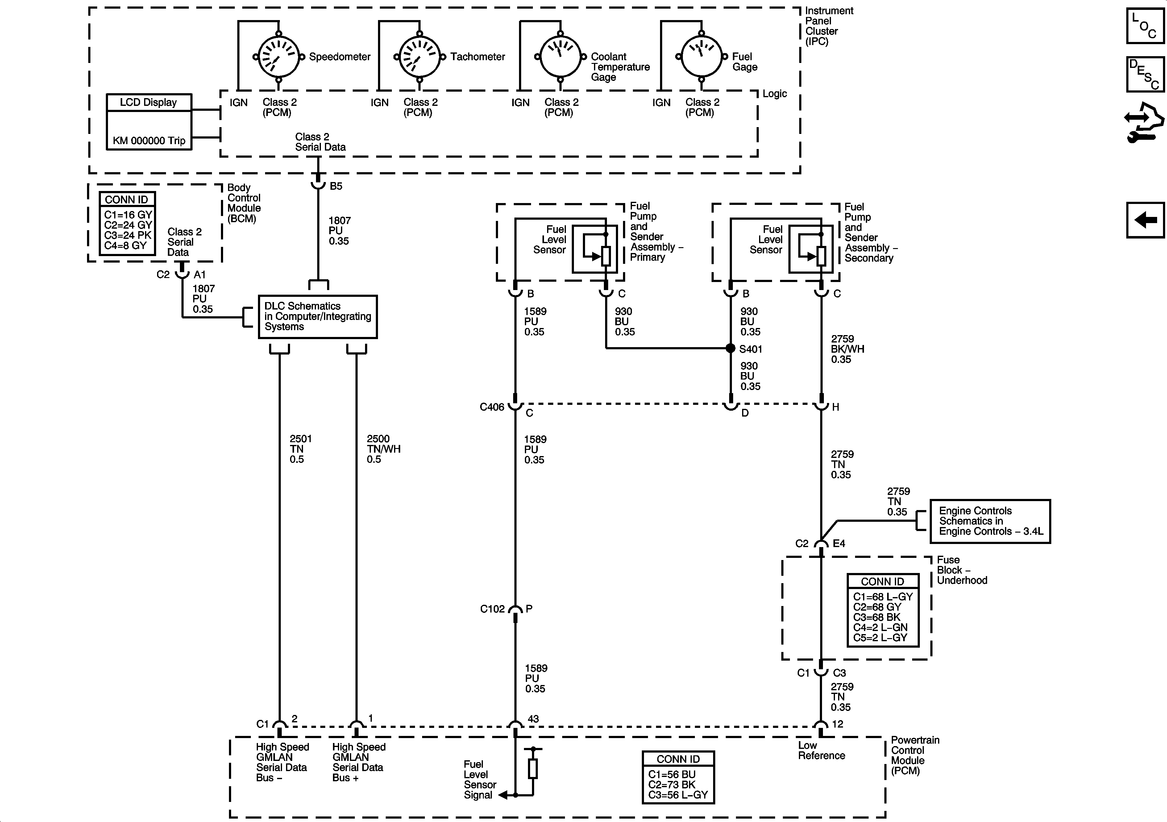
Figure
2:
IPC Gages
Master Electrical Component List
Instrument Cluster Description and Operation
Control Module References
Indicators
Data Link Communication (DLC) Schematic
Low References