GM Service Manual Online
For 1990-2009 cars only
Makes
🢒
Pontiac
🢒
2006
🢒
Torrent
🢒
Body
🢒
Wipers/Washer Systems
🢒 Wiper/Washer Schematics
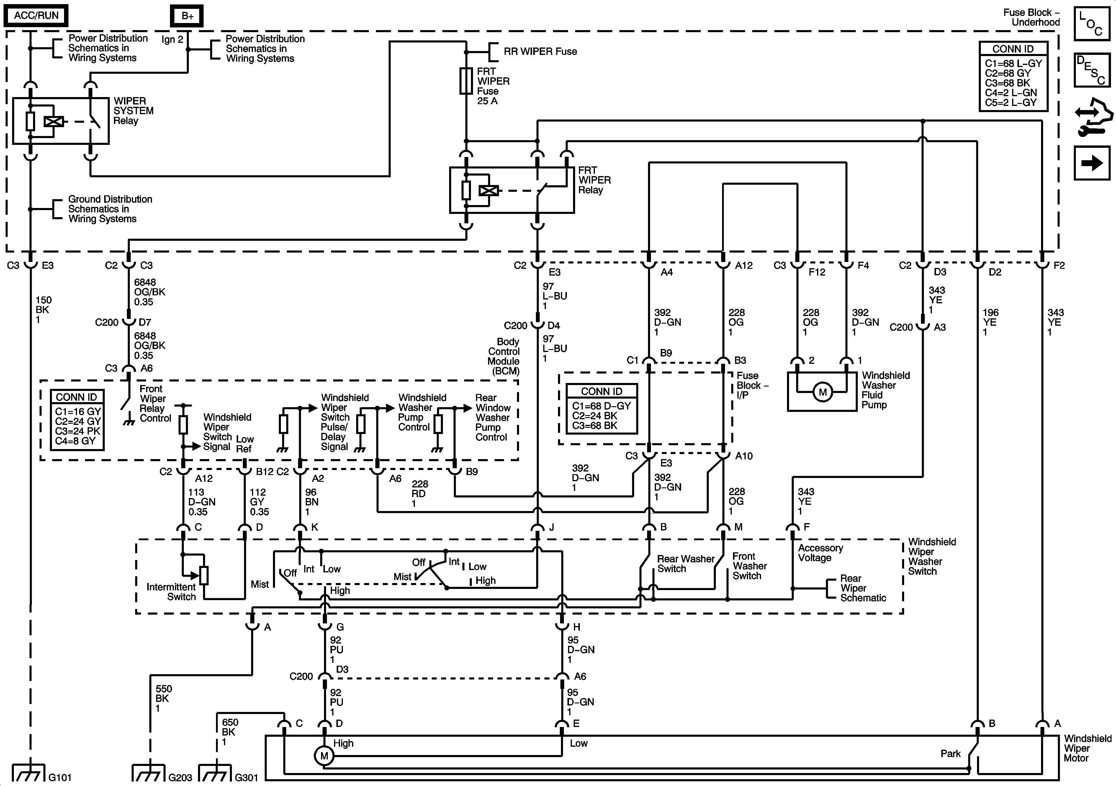
Figure
1:
Front Wiper/Washer
Master Electrical Component List
Wiper/Washer System Description and Operation
Control Module References
Rear Wiper
TURN, PRNDL/PWR TRN, BCM/ISRVM, BCM/HVAC and HTD SEATS Fuses
B+ Bus and EPS Fuse
G101
G101
G203 and G205
G301
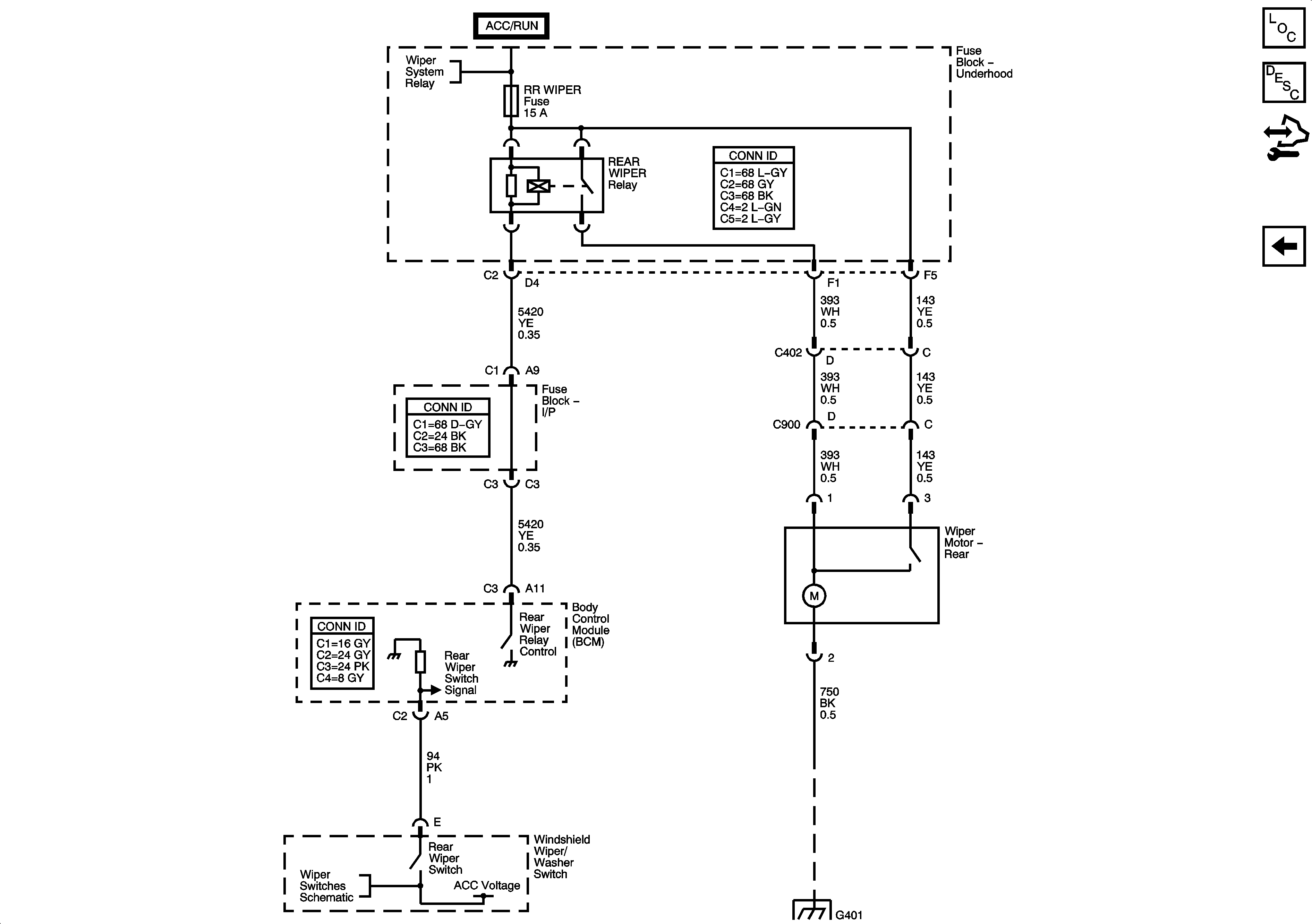
Figure
2:
Rear Wiper
Master Electrical Component List
Wiper/Washer System Description and Operation
Control Module References
Front Wiper
B+ Bus and EPS Fuse
Front Wiper
G401 and G403