GM Service Manual Online
For 1990-2009 cars only
Makes
🢒
Pontiac
🢒
2006
🢒
Torrent
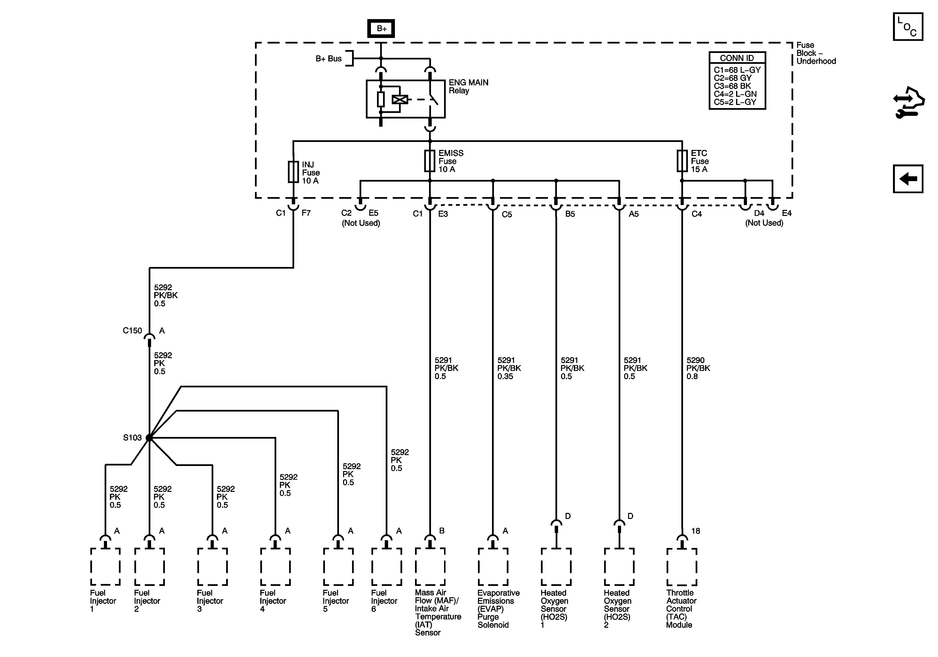
🢒 ENG MAIN Relay, INJ, EMISS and ETC Fuses
ENG MAIN Relay, INJ, EMISS and ETC Fuses
ENG AMIN RELAY, INJ, EMISS and ETC Fuses
Master Electrical Component List
Control Module References
IGN 1, BCM(IGN), AIR BAG, EPS and CRUISE Fuses
B+ Bus and EPS Fuse