GM Service Manual Online
For 1990-2009 cars only
Makes
🢒
Pontiac
🢒
2006
🢒
Torrent
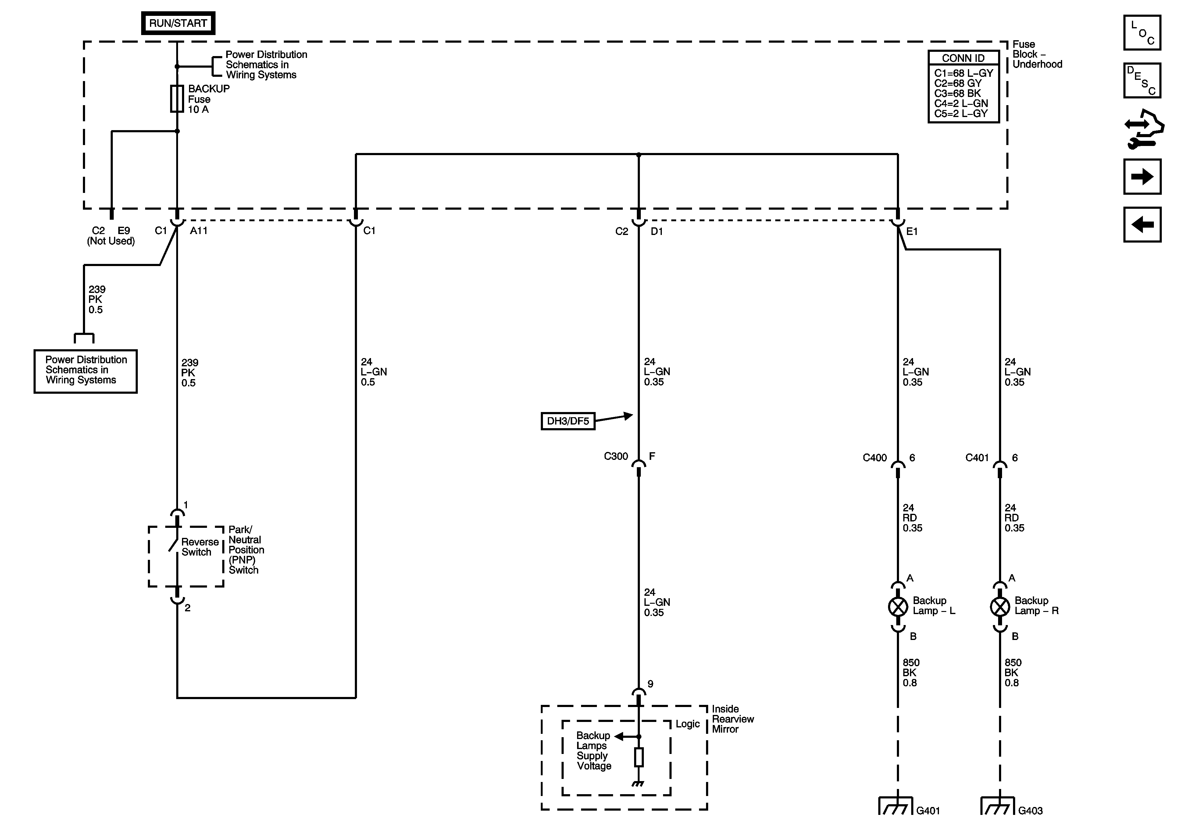
🢒 Backup Lamps
Backup Lamps
Backup Lamps
Master Electrical Component List
Exterior Lighting Systems Description and Operation
Control Module References
Trailer Connector Adapter
Stop Lamps
IGN FUSE, Ignition Switch and Ignition Circuits
BACKUP, PWR TRAIN, ENG IGN and 10A ABS Fuse
G401 and G403
G401 and G403