GM Service Manual Online
For 1990-2009 cars only
Makes
🢒
Pontiac
🢒
2007
🢒
Torrent
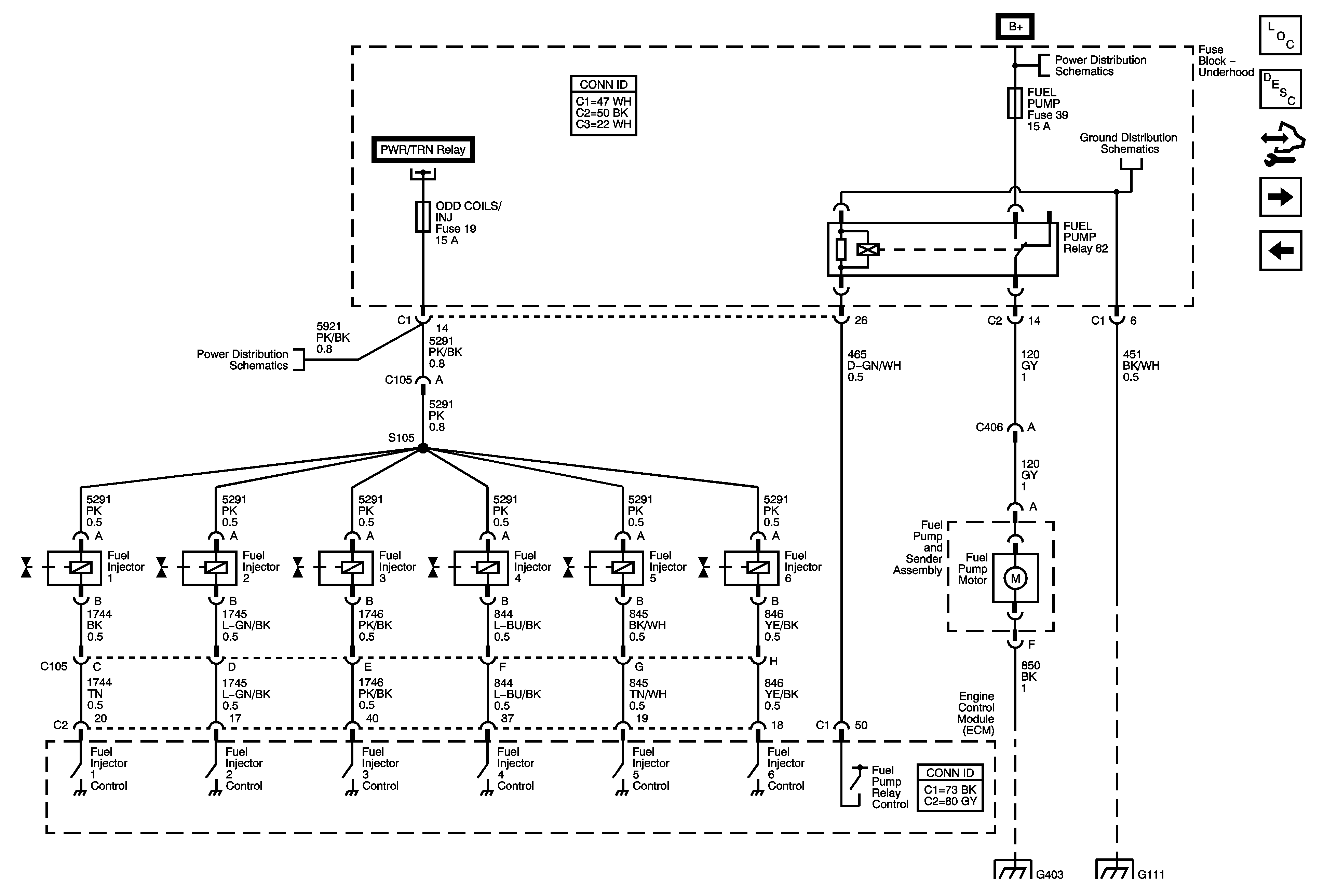
🢒 Fuel Injectors and Fuel Pump
Fuel Injectors and Fuel Pump
Fuel Injectors and Fuel Pump
Master Electrical Component List
Fuel System Description
Control Module References
EGR and EVAP Controls
Knock, Camshaft, and Crankshaft Sensors
B+ BUS - 1 of 2
G101
B+ BUS - 1 of 2
PWR/TRN Relay BUS - EMISO1, EMISO2, ETC/ECM, EVEN COILS/INJ and ODD COILS/INJ FusesINJ
G403
G101