GM Service Manual Online
For 1990-2009 cars only
Makes
🢒
Pontiac
🢒
2007
🢒
Torrent
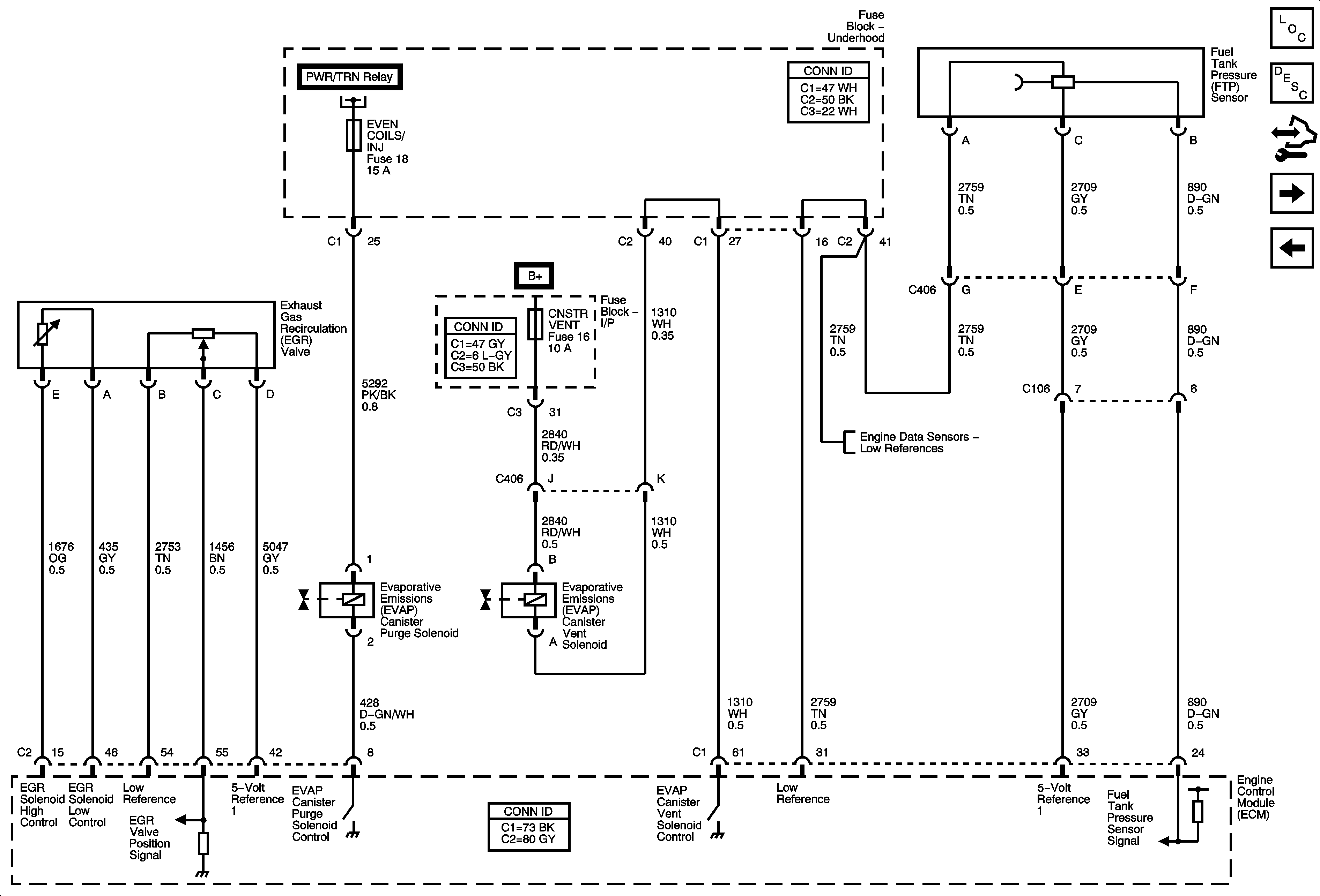
🢒 EGR and EVAP Controls
EGR and EVAP Controls
EGR and EVAP Controls
Master Electrical Component List
Evaporative Emission Control System Description
Control Module References
Controlled/Monitored Subsystem References
Fuel Injectors and Fuel Pump
BATT 1, CNSTR VENT, CLSTR, HVAC BLWR, INFOTMNT, INT LAMP, ONSTAR, REAR DEFOG and RVC Fuses
PWR/TRN Relay BUS - EMISO1, EMISO2, ETC/ECM, EVEN COILS/INJ and ODD COILS/INJ FusesINJ
Low Reference