GM Service Manual Online
For 1990-2009 cars only
Makes
🢒
Pontiac
🢒
2003
🢒
Vibe - FWD
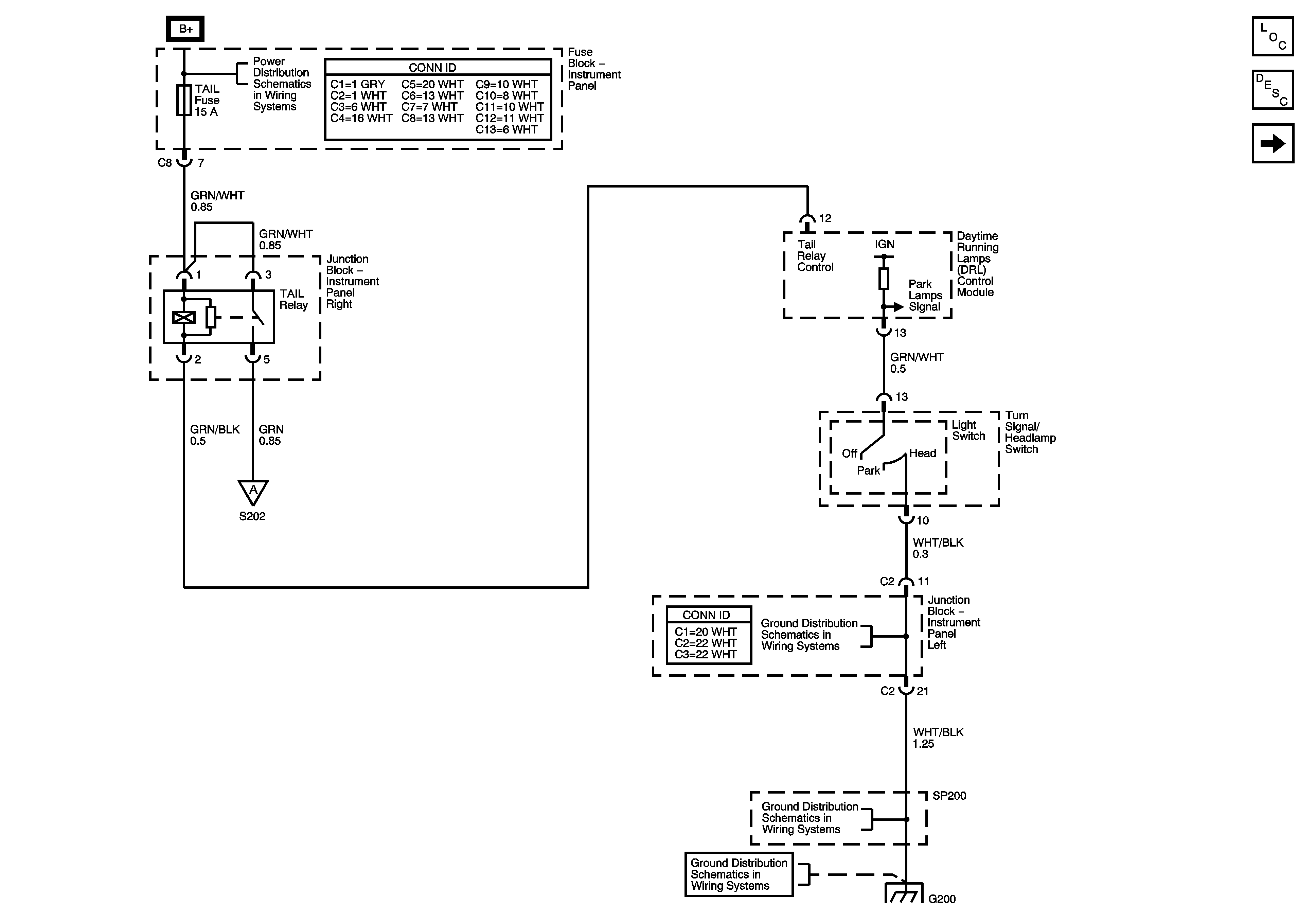
🢒 TAIL Relay and Turn Signal/Headlamp Switch
TAIL Relay and Turn Signal/Headlamp Switch
TAIL Relay and Turn Signal/Headlamp Switch
Master Electrical Component List
Exterior Lighting Systems Description and Operation
Park Lamps
POWER, AM-1, DOOR, TAIL, P/POINT, ECU-B, STOP, OBD and INV Fuses
Left Instrument Panel Junction Block
SP200 and G200