GM Service Manual Online
For 1990-2009 cars only
Makes
🢒
Pontiac
🢒
2003
🢒
Vibe - FWD
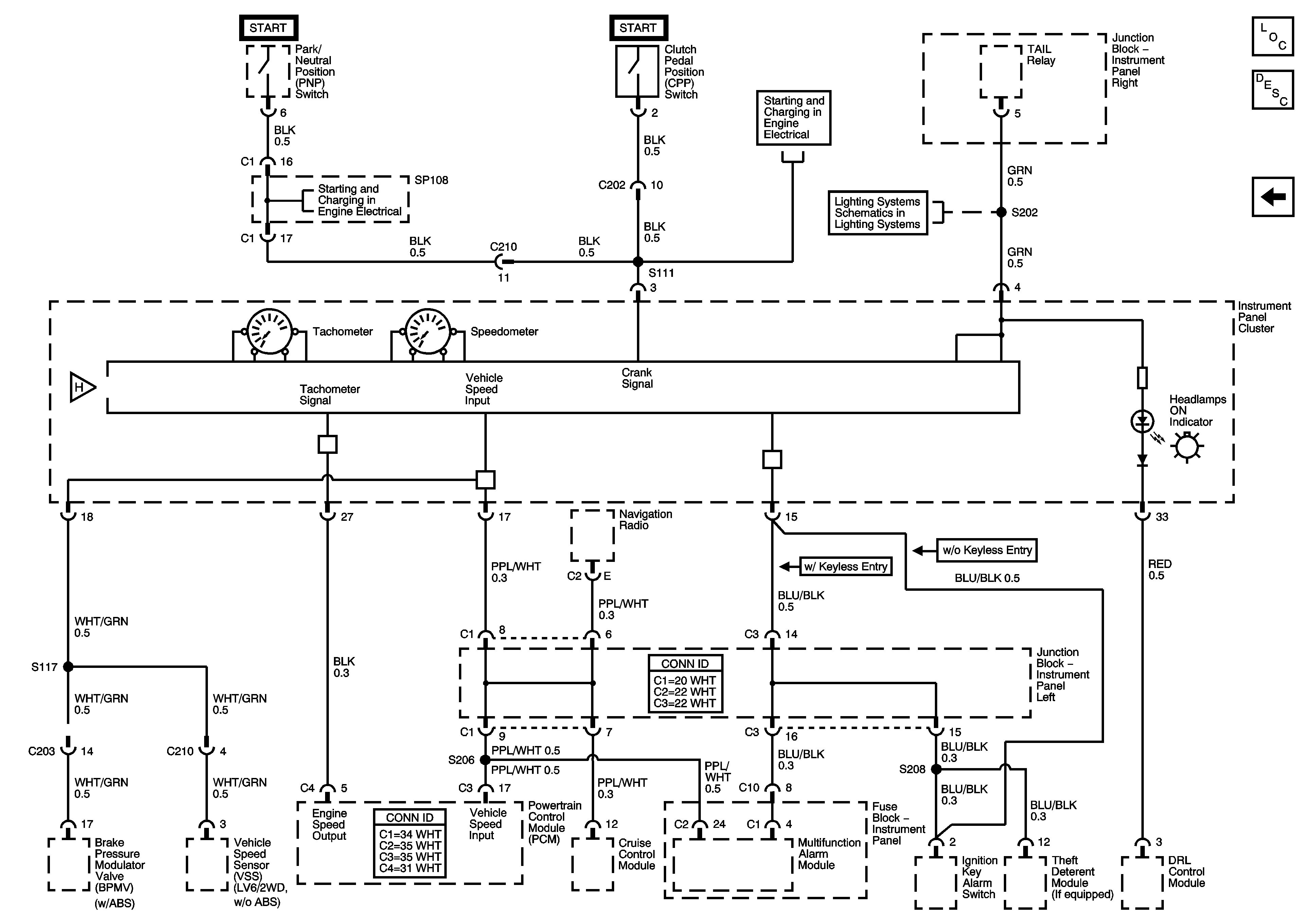
🢒 Tachometer, Speedometer and Headlamps ON Indicator
Tachometer, Speedometer and Headlamps ON Indicator
Tachometer, Speedometer and Headlamps ON Indicator
Brake, ABS Indicators, Turn Indicators
Starting System
Starting System
Park Lamps