GM Service Manual Online
For 1990-2009 cars only
Makes
🢒
Pontiac
🢒
2003
🢒
Vibe - FWD
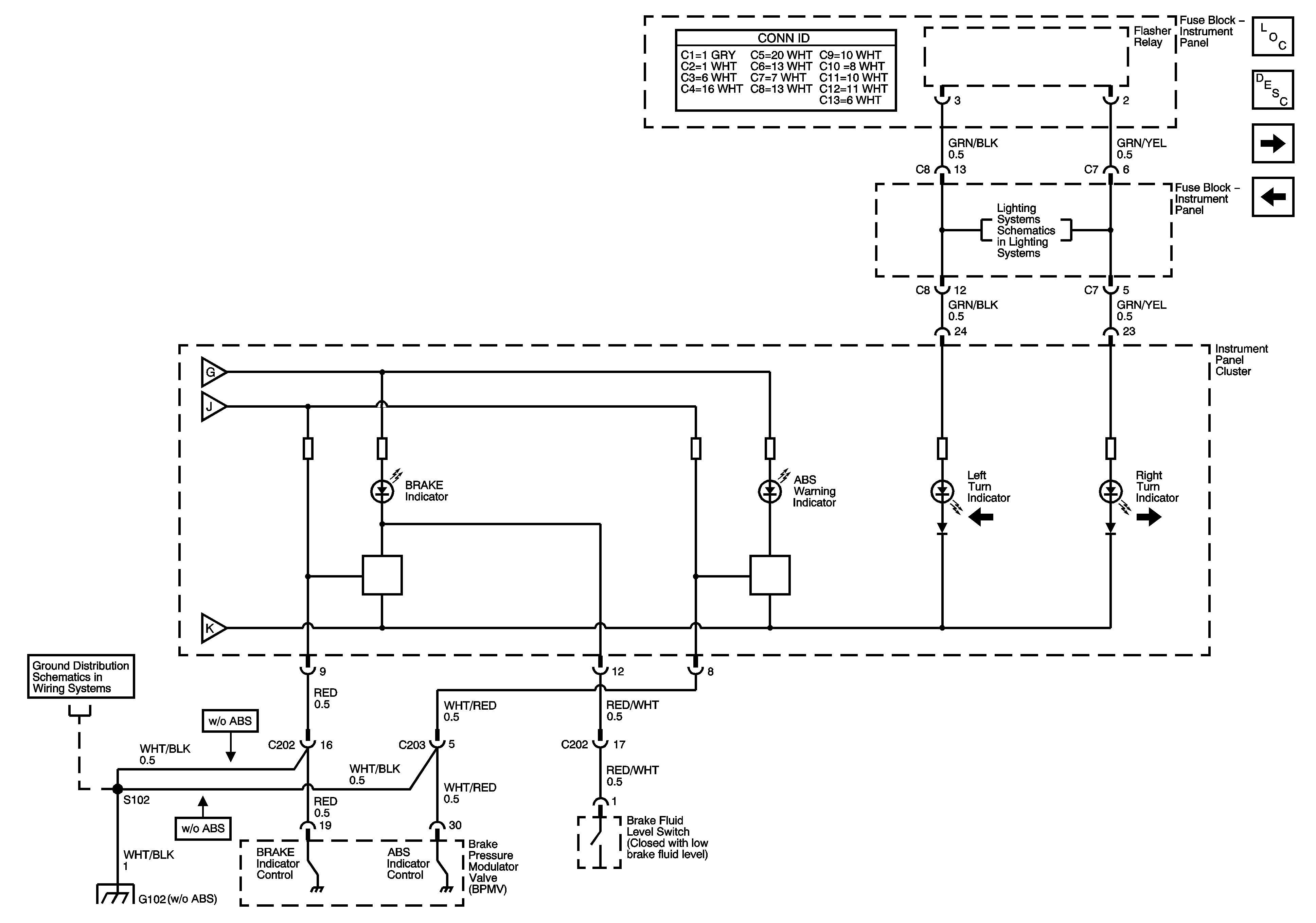
🢒 Brake, ABS Indicators, Turn Indicators
Brake, ABS Indicators, Turn Indicators
Brake, ABS Indicators, Turn Indicators
Master Electrical Component List
Tachometer, Speedometer and Headlamps ON Indicator
Charge, Air Bag, Malfunction, O/D Off, Cruise Indicators
G100, G101, G102 and G103
Turn Indicators and Turn Lamps