GM Service Manual Online
For 1990-2009 cars only
Makes
🢒
Pontiac
🢒
2003
🢒
Vibe - FWD
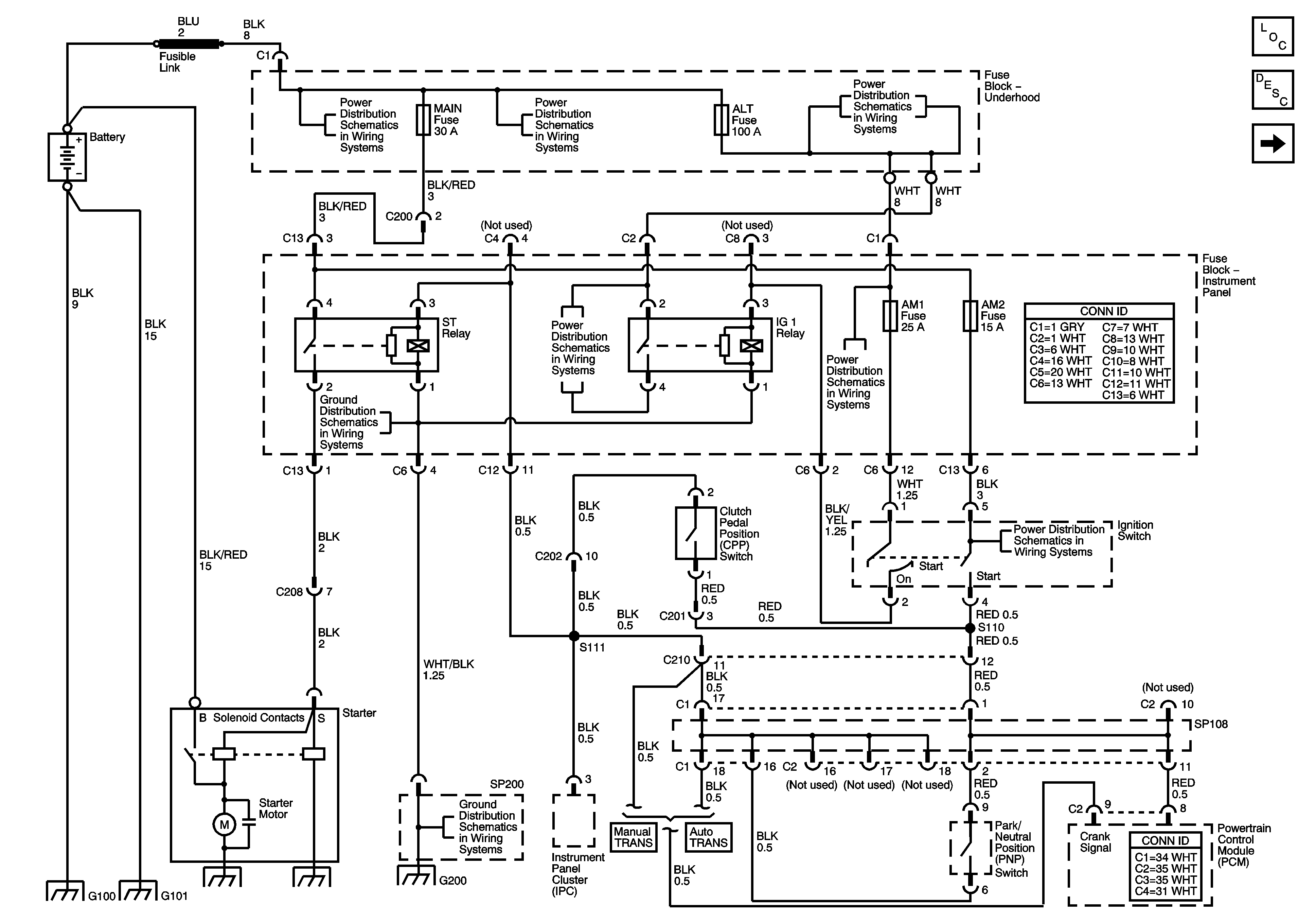
🢒 Starting System
Starting System
Starting System
Master Electrical Component List
Starting System Description and Operation
Starting System With Theft Deterent
HORN, DOME, MAIN and AMP Fuses
HORN, DOME, MAIN and AMP Fuses
ALT, ABS-2, RDI, ABS-1 and FR FOG Fuses
Instrument Panel Fuse Block
WASH, RR WIP, WIPER, ECU-IG, GAUGE, HEATER, and DEF Fuses
POWER, AM-1, DOOR, TAIL, P/POINT, ECU-B, STOP, OBD and INV Fuses
SP200 and G200
Ignition Switch, CIG and IG 1 Fuses