GM Service Manual Online
For 1990-2009 cars only
Makes
🢒
Pontiac
🢒
2004
🢒
Vibe - FWD
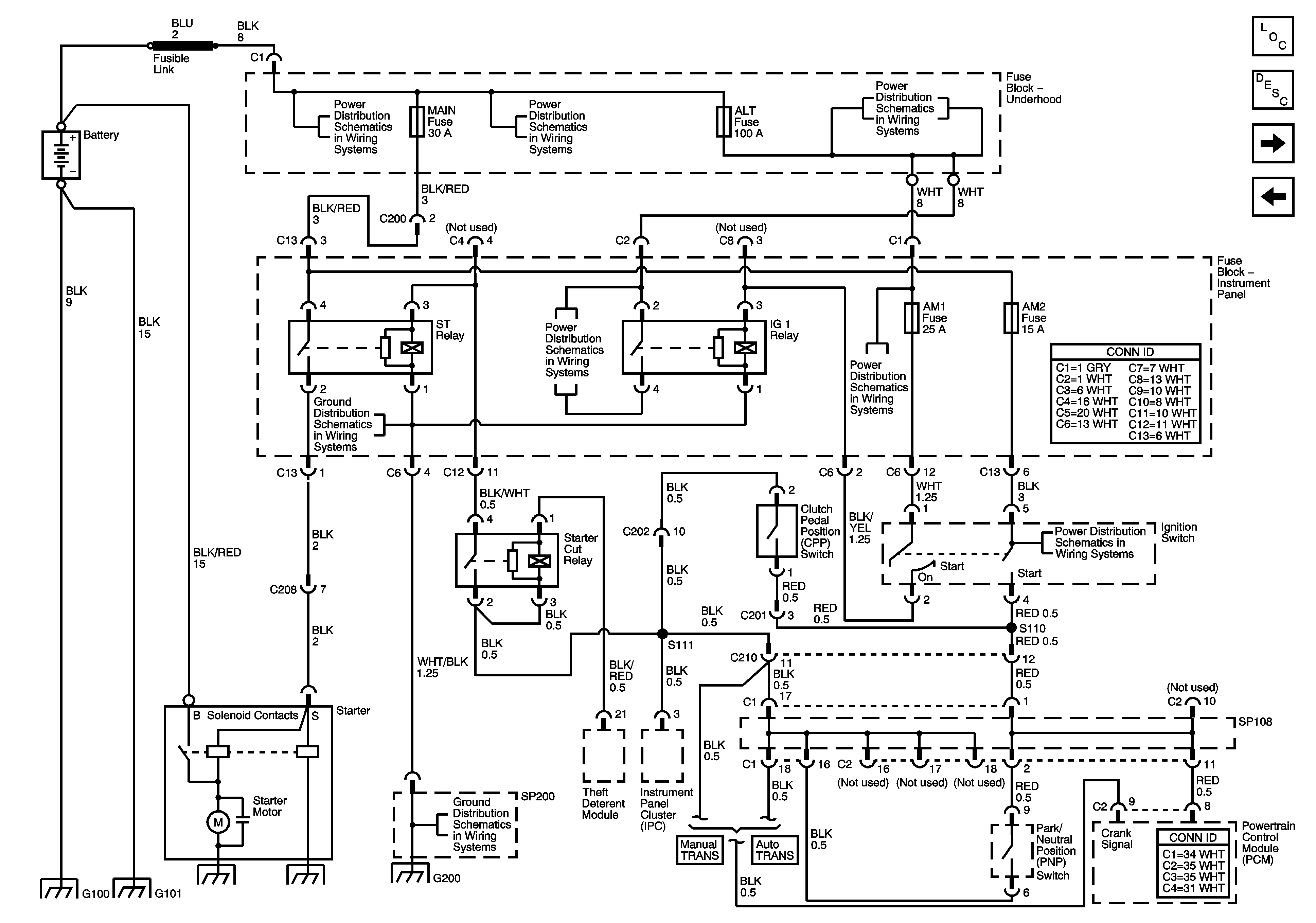
🢒 Starting System w/Theft Deterent
Starting System w/Theft Deterent
Starting System with Theft Deterent
Master Electrical Component List
Starting System Description and Operation
Charging System
Starting System
Horn, Dome, Main, Amp Fuses
Horn, Dome, Main, Amp Fuses
Alt, ABS 2, RDI Fan, ABS 1, Fog Fuses
Fuse Block-Instrument Panel
Wash, RR Wip, Wiper, ECU-IG, Gauge, Heater, Def Fuses
Power, AM 1, Door, Tail, P/Point, ECU-B, Stop, OBD, INV Fuses
SP200 and G200
Ignition Switch (1 of 2)