GM Service Manual Online
For 1990-2009 cars only
Makes
🢒
Pontiac
🢒
2004
🢒
Vibe - FWD
🢒 Charging System
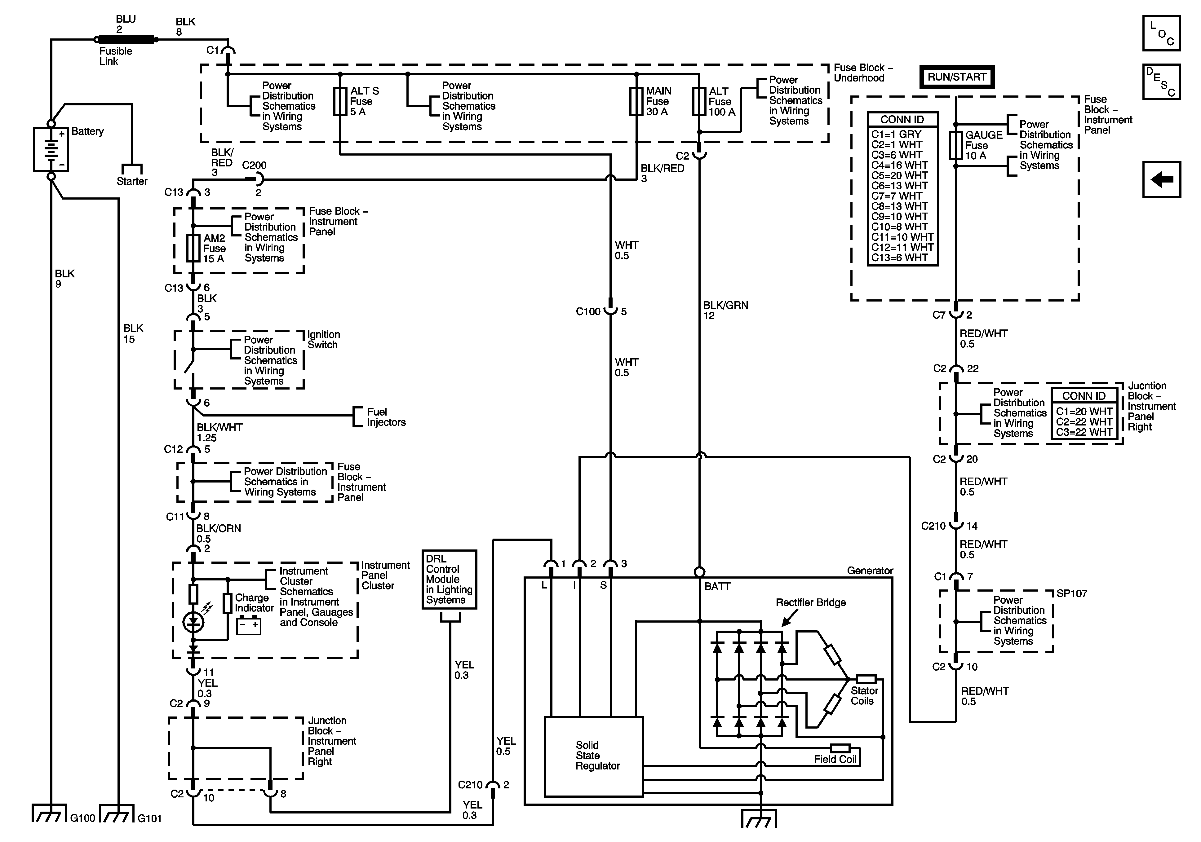
Charging System
Charging System
Master Electrical Component List
Charging System Description and Operation
Starting System w/Theft Deterent
Air Pump, Headlamps, Alt S, EFI, Hazard Fuses
Horn, Dome, Main, Amp Fuses
Ignition Switch (1 of 2)
Ignition Switch (2 of 2)
Charge, Air Bag, Malfunction O/D Off, Cruise Indicators
DRL Control Module, Ambient Light Sensor
Horn, Dome, Main, Amp Fuses
Alt, ABS 2, RDI Fan, ABS 1, Fog Fuses
Wash, RR Wip, Wiper, ECU-IG, Gauge, Heater, Def Fuses
Junction Block-Instrument Panel Right
Junction Block-Instrument Panel Right