GM Service Manual Online
For 1990-2009 cars only
Makes
🢒
Pontiac
🢒
2004
🢒
Vibe - FWD
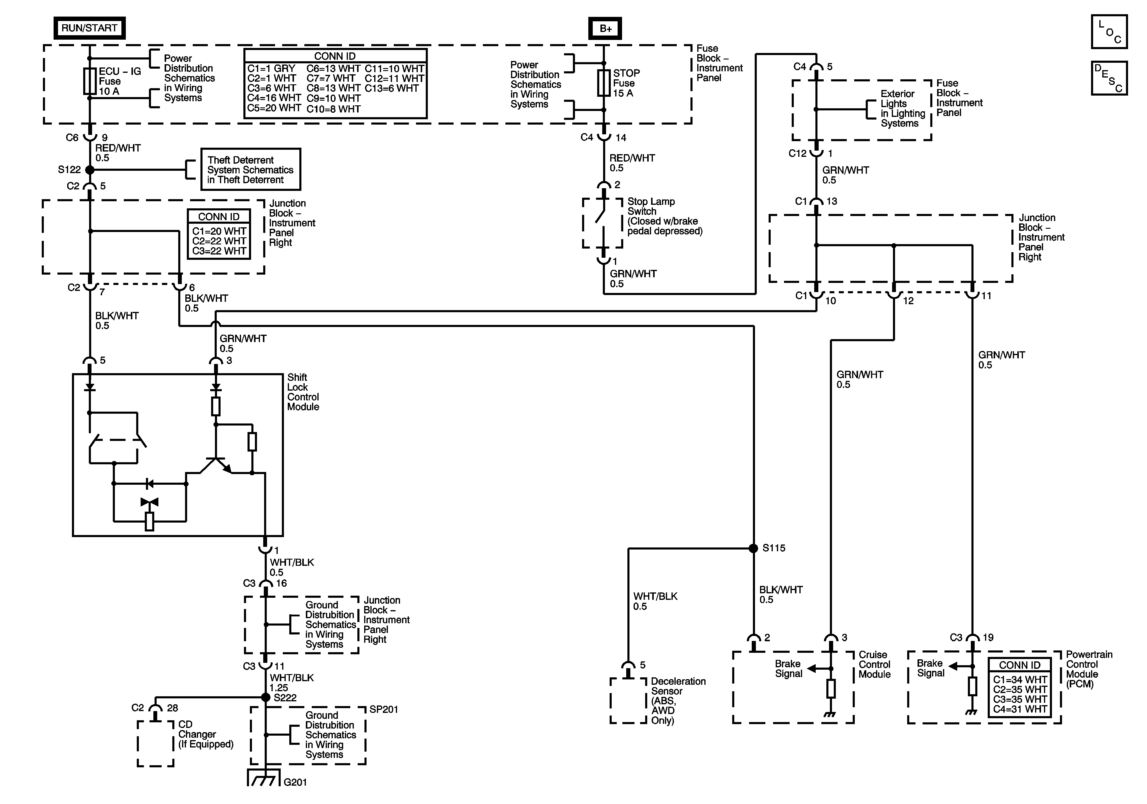
🢒 Shiftlock Control
Shiftlock Control
Master Electrical Component List
Automatic Transmission Shift Lock Control Description and Operation
Wash, RR Wip, Wiper, ECU-IG, Gauge, Heater, Def Fuses
Start Relay, Starter Cut Relay, Theft Deterent Module, Powertrain Control Module
Junction Block-Instrument Panel Right
SP201 and G201
Power, AM 1, Door, Tail, P/Point, ECU-B, Stop, OBD, INV Fuses
Stoplamps