GM Service Manual Online
For 1990-2009 cars only
Makes
🢒
Pontiac
🢒
2004
🢒
Vibe - FWD
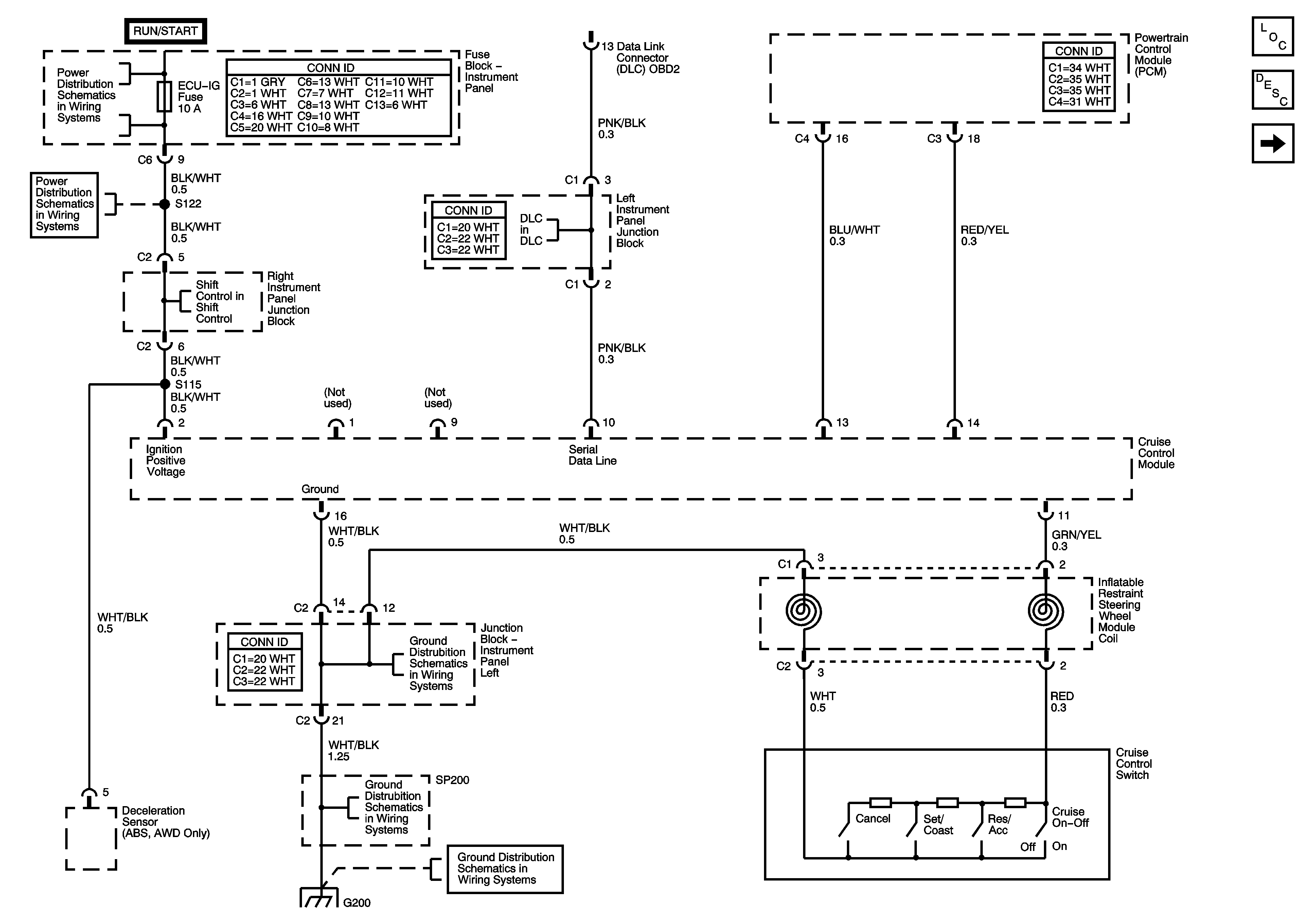
🢒 Cruise Control Module and Switch
Cruise Control Module and Switch
Cruise Control Module and Switch
Master Electrical Component List
Cruise Control Description and Operation
Cruise Control Module and Indicator
Wash, RR Wip, Wiper, ECU-IG, Gauge, Heater, Def Fuses
Wash, RR Wip, Wiper, ECU-IG, Gauge, Heater, Def Fuses
Shiftlock Control
Data Link Connector (DLC) (2 of 2)
Junction Block-Instrument Panel Left
SP200 and G200
SP200 and G200