GM Service Manual Online
For 1990-2009 cars only
Makes
🢒
Pontiac
🢒
2004
🢒
Vibe - FWD
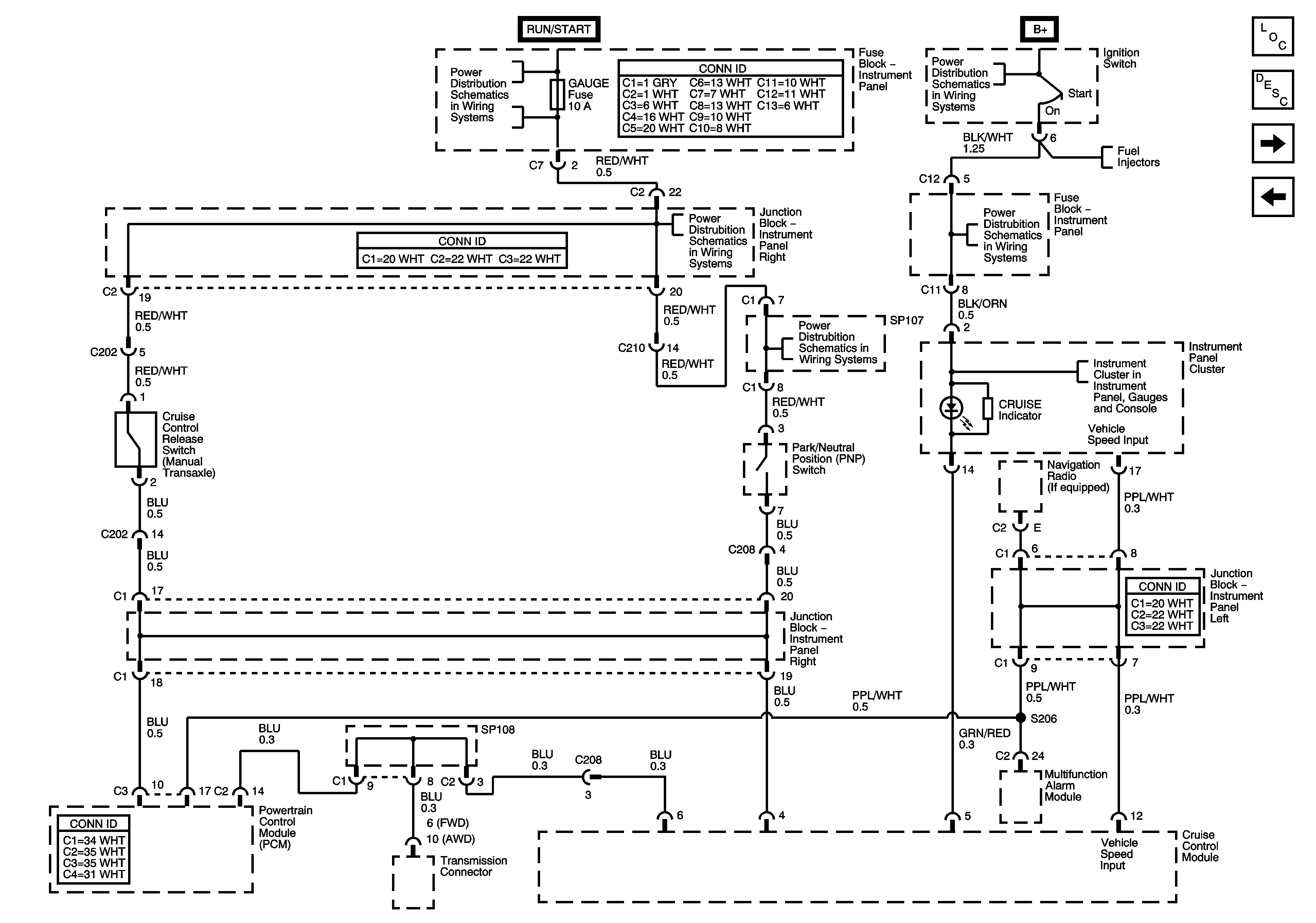
🢒 Cruise Control Module and Indicator
Cruise Control Module and Indicator
Cruise Control Module and Indicator
Master Electrical Component List
Cruise Control Description and Operation
Cruise Control Servo and Stoplamp Switch
Cruise Control Module and Switch
Wash, RR Wip, Wiper, ECU-IG, Gauge, Heater, Def Fuses
Junction Block-Instrument Panel Right
Junction Block-Instrument Panel Right
Ignition Switch (1 of 2)
Ignition Switch (2 of 2)
Charge, Air Bag, Malfunction O/D Off, Cruise Indicators