GM Service Manual Online
For 1990-2009 cars only
Makes
🢒
Pontiac
🢒
2004
🢒
Vibe - FWD
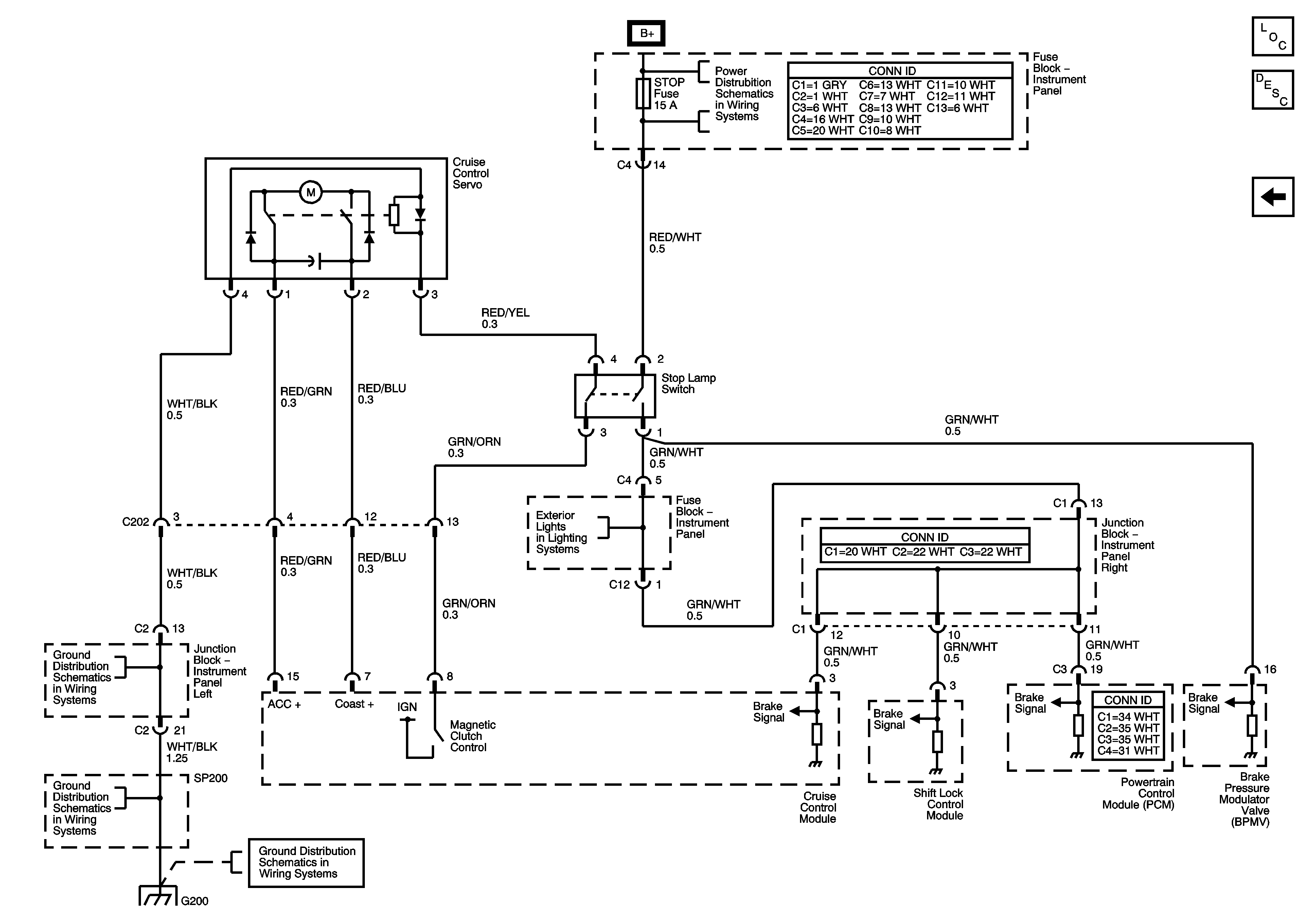
🢒 Cruise Control Servo and Stoplamp Switch
Cruise Control Servo and Stoplamp Switch
Cruise Control Servo and Stoplamp Switch
Master Electrical Component List
Cruise Control Description and Operation
Cruise Control Module and Indicator
Junction Block-Instrument Panel Left
SP200 and G200
Power, AM 1, Door, Tail, P/Point, ECU-B, Stop, OBD, INV Fuses
Stoplamps