GM Service Manual Online
For 1990-2009 cars only
Makes
🢒
Pontiac
🢒
2004
🢒
Vibe - FWD
🢒 Door Lock Switches and Front Door Lock Actuators
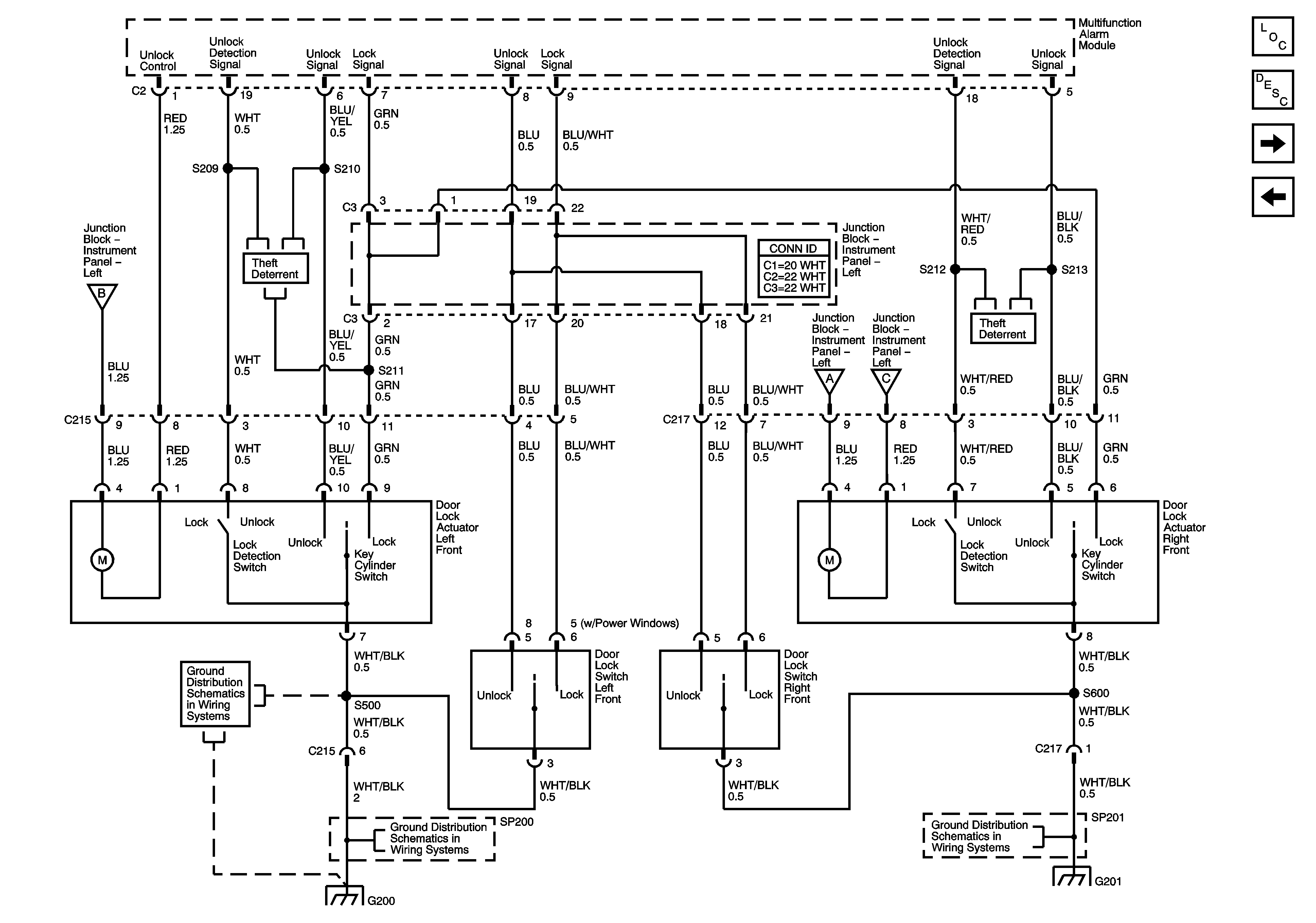
Door Lock Switches and Front Door Lock Actuators
Door Lock Switches and Front Door Lock Actuators
Master Electrical Component List
Keyless Entry System Description and Operation
Multifunction Alarm Module, Horn, Hazard, Turn Signal/Headlamp Switches
Multifunction Alarm Module, Rear Door Lock, Glass Hatch and Tailgate Actuators
Door Lock Switches and Front Door Lock Actuators
SP200 and G200
Door Lock Switches and Front Door Lock Actuators
SP201 and G201
SP200 and G200