GM Service Manual Online
For 1990-2009 cars only
Makes
🢒
Pontiac
🢒
2004
🢒
Vibe - FWD
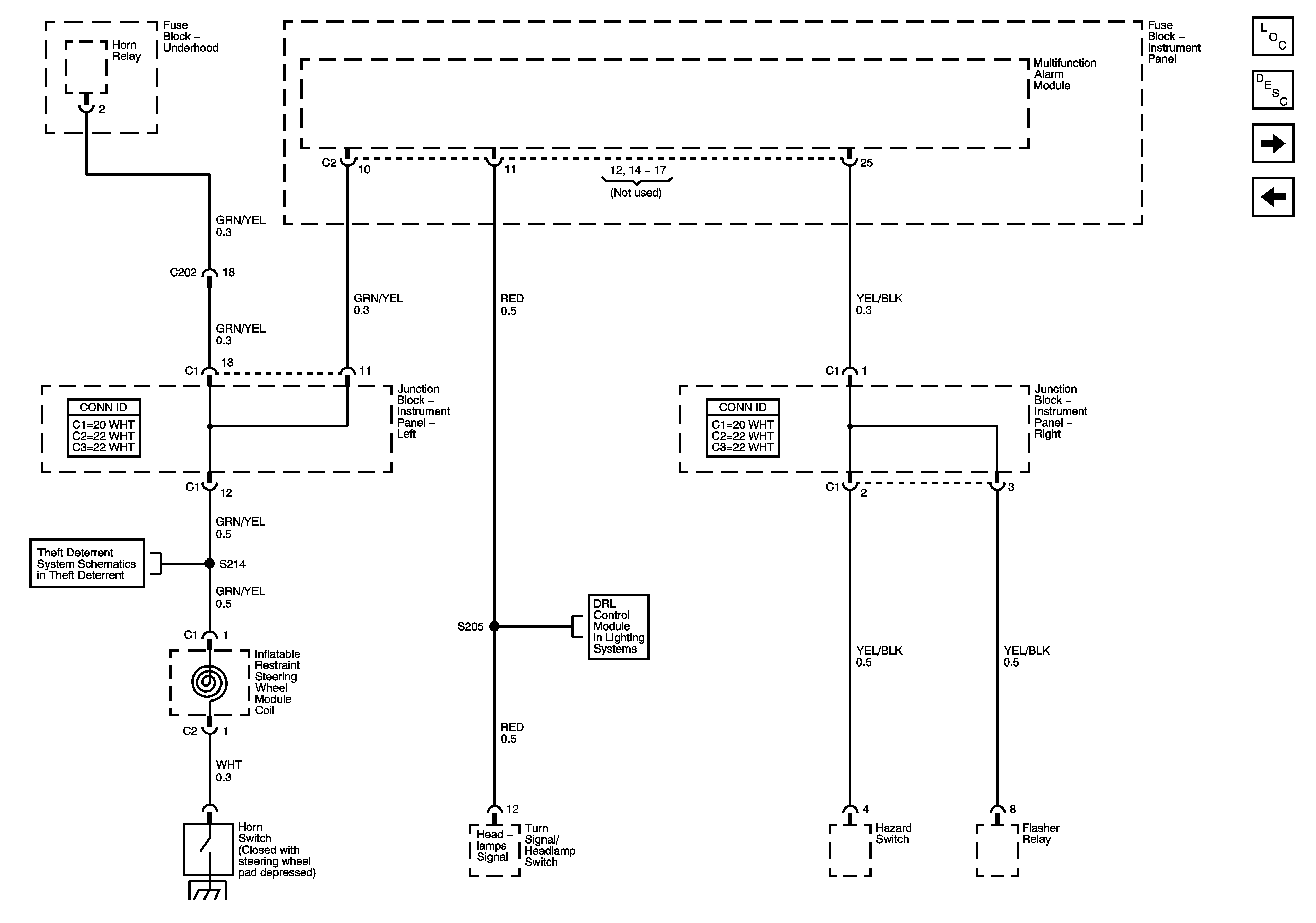
🢒 Multifunction Alarm Module, Horn, Hazard, Turn Signal/Headlamp Switches
Multifunction Alarm Module, Horn, Hazard, Turn Signal/Headlamp Switches
Multifunction Alarm Module, Horn, Hazard, Turn Signal/Headlamp Switches
Master Electrical Component List
Keyless Entry System Description and Operation
Multifunction Alarm Module, Courtesy Switches
Door Lock Switches and Front Door Lock Actuators
Multifunction Alarm Module, Horn, Hazard, Turn Signal/Headlamp Switches
Turn Signal/Headlamp Switch