GM Service Manual Online
For 1990-2009 cars only
Makes
🢒
Pontiac
🢒
2007
🢒
Vibe - FWD
🢒
HVAC
🢒
HVAC - Manual
🢒 HVAC Schematics
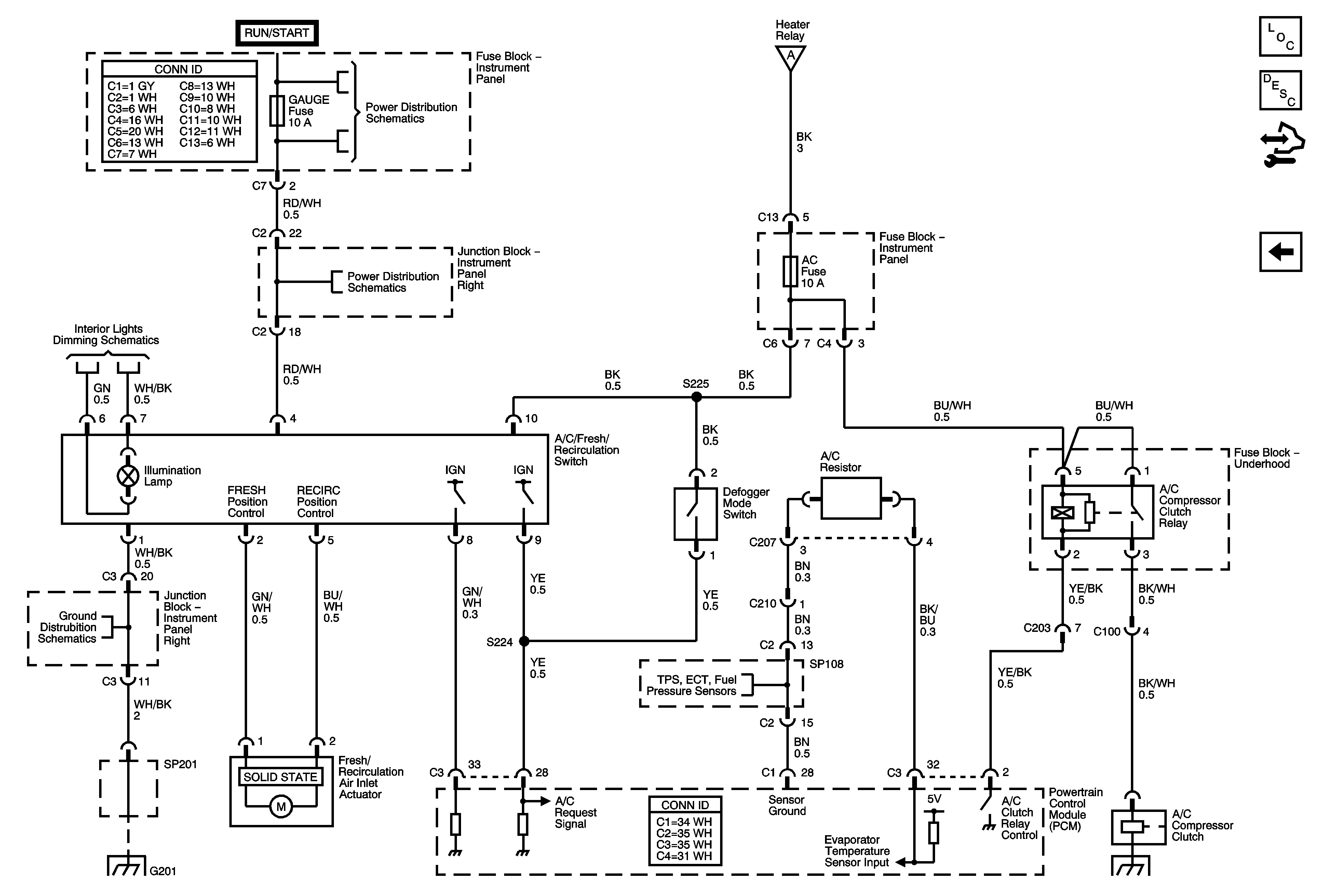
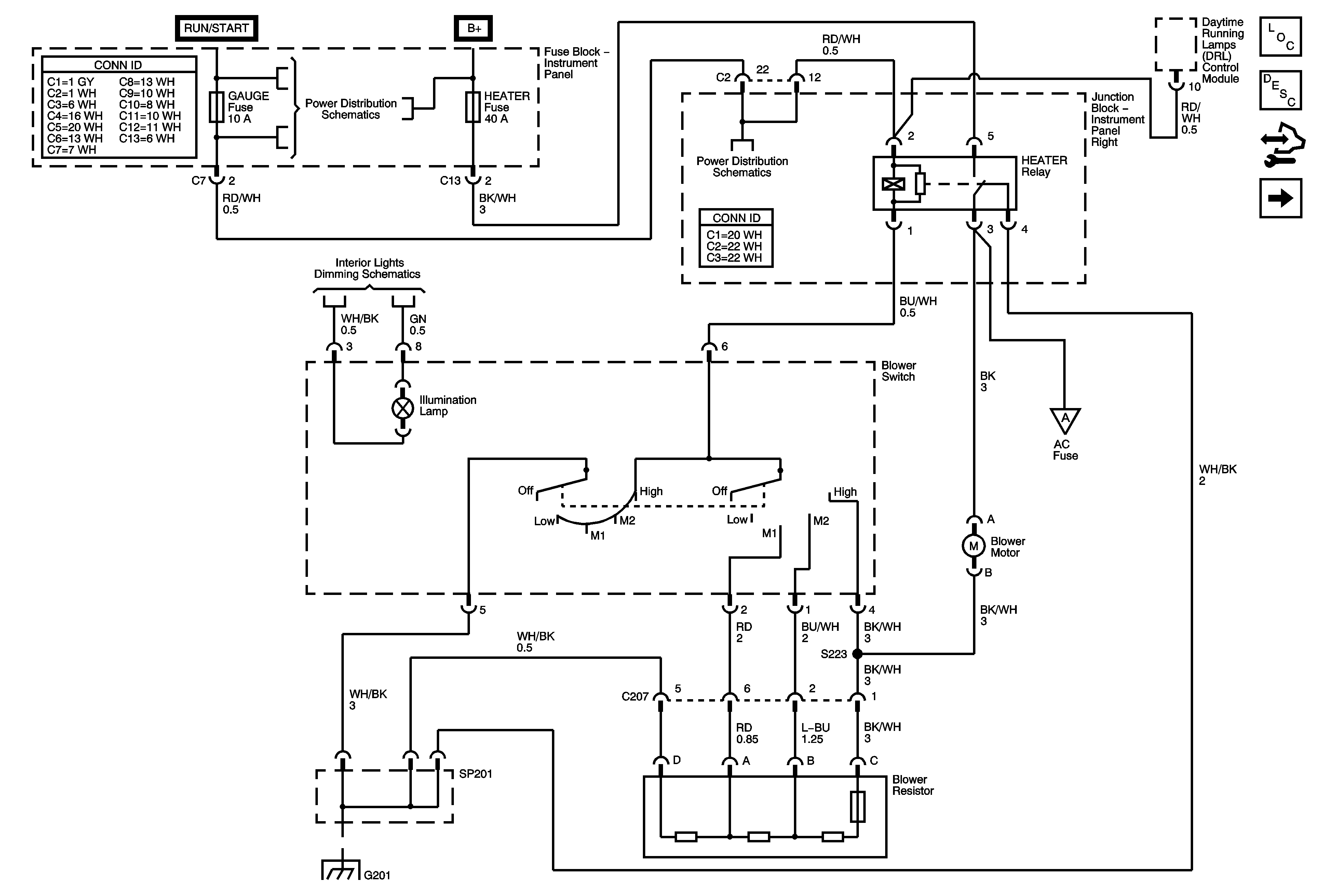
Figure
1:
Blower Controls
Master Electrical Component List
Air Delivery Description and Operation
Control Module References
A/C Compressor Controls
Air Pump, ETCS, Head, Alt S, EFI, Hazard EFT 2 Fuses
Air Pump, ETCS, Head, Alt S, EFI, Hazard EFT 2 Fuses
I/P Lamp Dimmer
Figure
2:
A/C Compressor Controls
Master Electrical Component List
Air Delivery Description and Operation
Control Module References
Blower Controls
Air Pump, ETCS, Head, Alt S, EFI, Hazard EFT 2 Fuses
Air Pump, ETCS, Head, Alt S, EFI, Hazard EFT 2 Fuses
I/P Lamp Dimmer
G100, G101, G102
ECT Sensor, Fuel Tank Pressure (FTP) Sensor, TAC Module, A/C Resistor