GM Service Manual Online
For 1990-2009 cars only
Makes
🢒
Pontiac
🢒
2004
🢒
Wave
🢒 Starting Systems
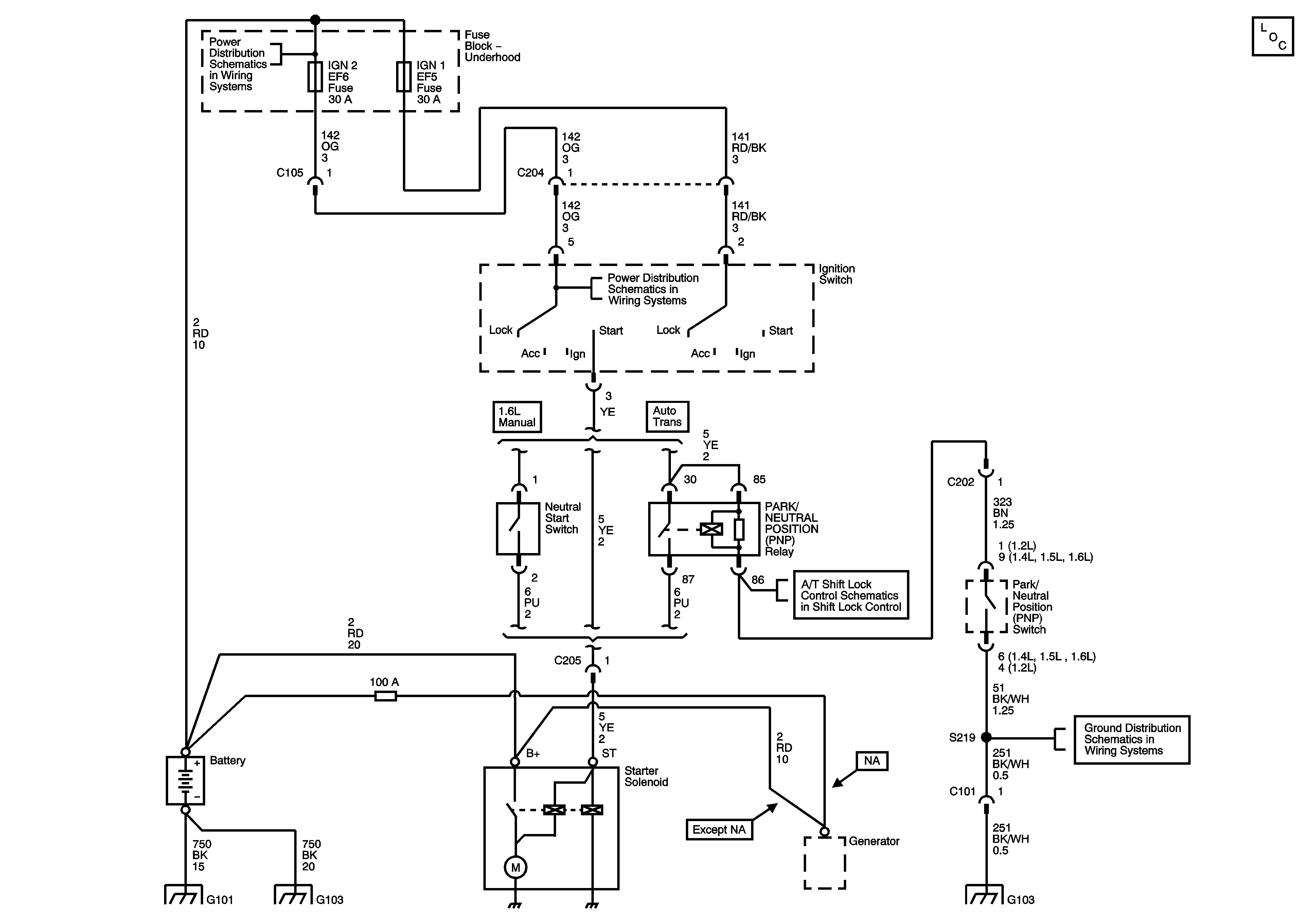
Starting Systems
Starting Systems
Master Electrical Component List
Underhood Fuse Block - IGN 2 Fuse, Ignition Switch, I/P Fuse Block, - DIS INJECTOR, ECM TCM, WIPER WASHER, and HVAC BLOWER Fuses
Underhood Fuse Block - IGN 1 Fuse, Ignition Switch, I/P Fuse Block, - CIGAR JACK, AUDIO CLOCK, METER CLOCK, TSIG, BACKUP LAMP, and AIR BAG Fuses
Shift Lock Control - North America
G103 (Sirius D4)