GM Service Manual Online
For 1990-2009 cars only
Makes
🢒
Pontiac
🢒
2005
🢒
Wave
🢒 Fuel Sensor and EVAP Solenoid Controls
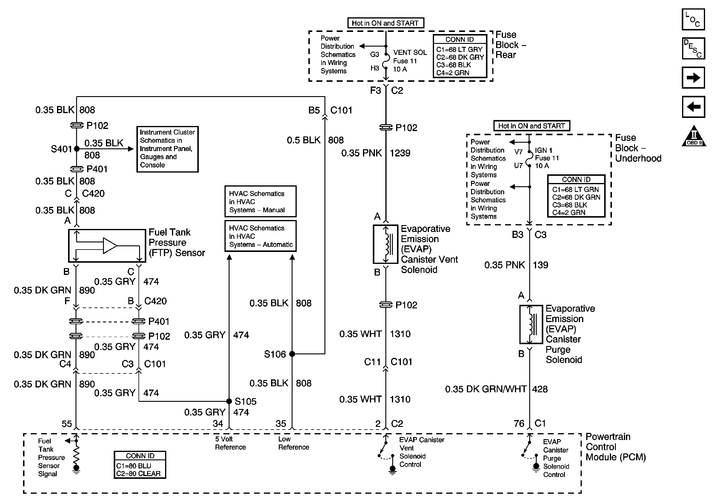
Fuel Sensor and EVAP Solenoid Controls
Fuel Sensor and EVAP Solenoid Controls
Master Electrical Component List
Evaporative Emission Control System Description
05 hp Device Controls
Fuel Injectors
OBD II Symbol Description Notice
PCM Signals - Speedometer, Tachometer, and Fuel Indicators
Air Delivery
Compressor Controls - 3.8L
IGN-1, VENT SOL, and SIR Fuses
TRANS, DIS, OXY SEN, and IGN 1 Fuses - 3.8L
TRANS, DIS, OXY SEN, and IGN 1 Fuses - 3.8L