GM Service Manual Online
For 1990-2009 cars only
Makes
🢒
Pontiac
🢒
2005
🢒
Wave
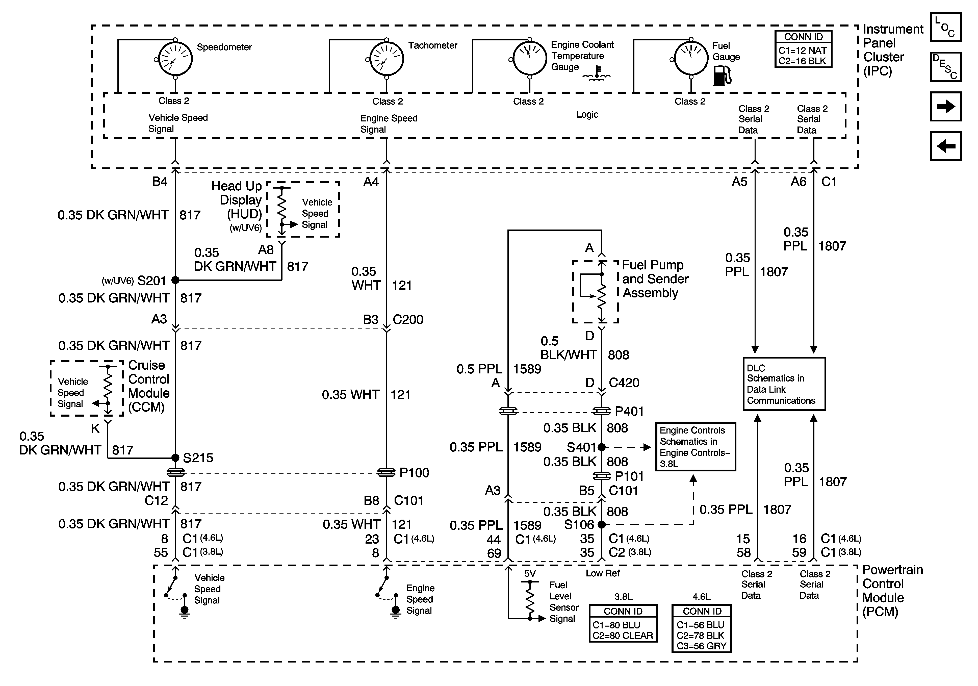
🢒 PCM Signals - Speedometer, Tachometer, and Fuel Indicators
PCM Signals - Speedometer, Tachometer, and Fuel Indicators
PCM Signals - Speedometer, Tachometer, and Fuel Indicators
Master Electrical Component List
Indicator/Warning Message Description and Operation
PCM Signals - Engine Oil and Volt Indicators
Power, Ground, and Class 2
Fuel Sensor and EVAP Solenoid Controls
Serial Data Class 2