GM Service Manual Online
For 1990-2009 cars only
Makes
🢒
Pontiac
🢒
2005
🢒
Wave
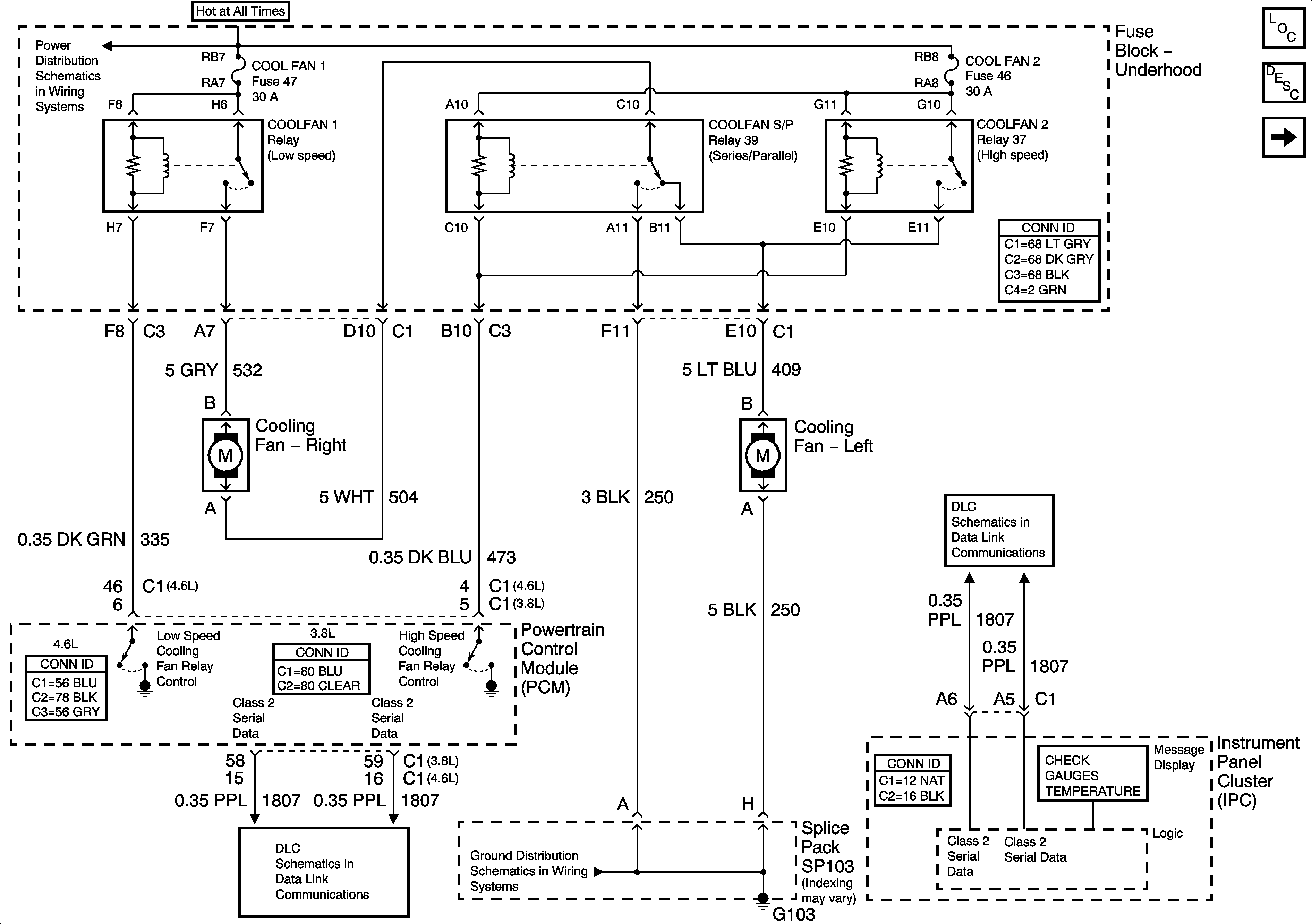
🢒 Engine Cooling Fans, and Relays
Engine Cooling Fans, and Relays
Engine Cooling Fans and Relays
Master Electrical Component List
Cooling System Description and Operation
Coolant Level Switch - 4.6L
ABS, PCM BATT, and COOLFAN 1 Fuses - 3.8L
G103
Serial Data Class 2
G103
Serial Data Class 2