GM Service Manual Online
For 1990-2009 cars only
Makes
🢒
Pontiac
🢒
2005
🢒
Wave
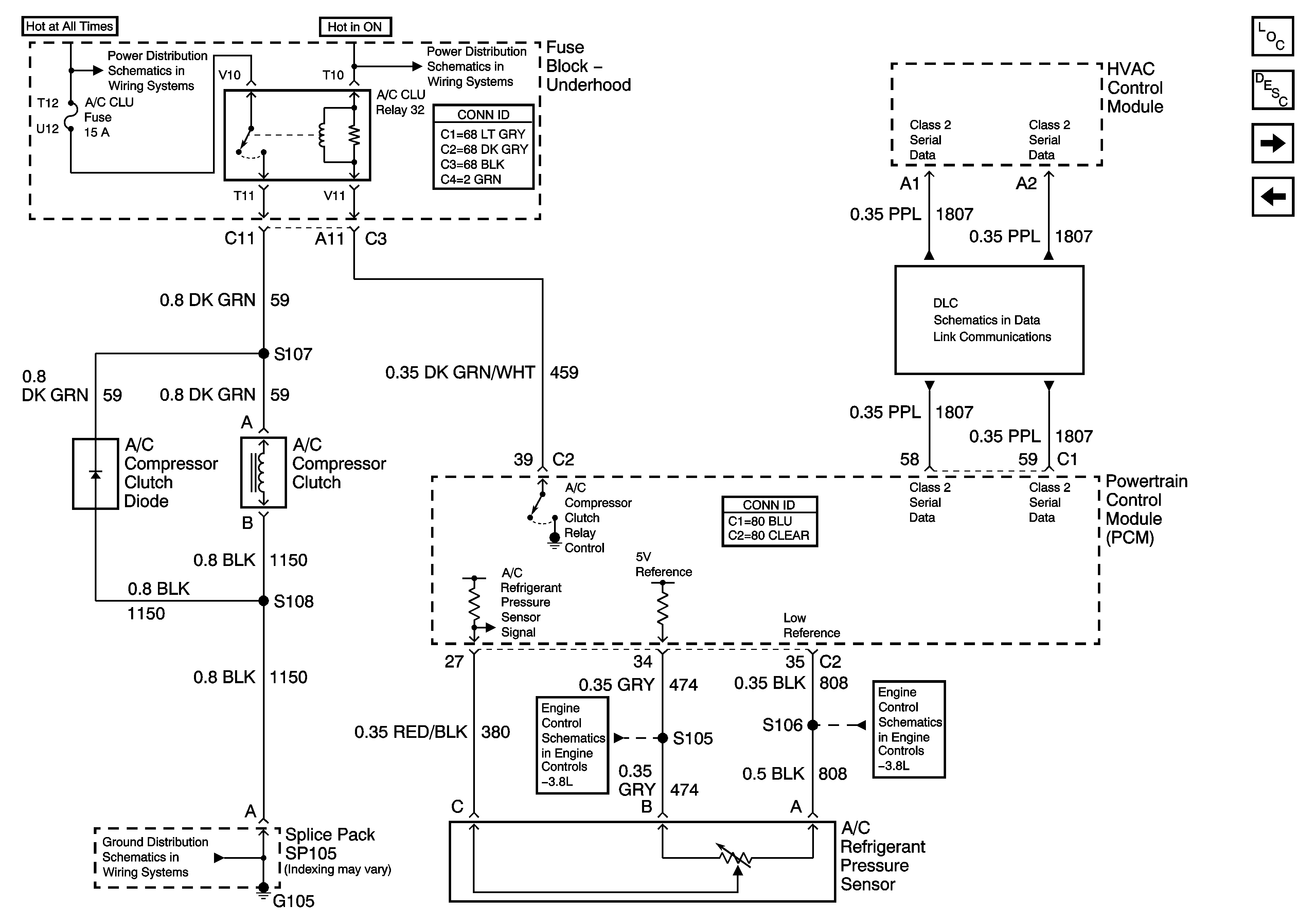
🢒 Compressor Controls
Compressor Controls
Compressor Controls
Master Electrical Component List
Air Temperature Description and Operation
Air Delivery
Blower Control
START Circuit Breaker, HORN and A/C CLU Fuses - 3.8L
START Circuit Breaker, HORN and A/C CLU Fuses - 3.8L
Serial Data Class 2
G104 and G105 - 3.8L
Fuel Sensor and EVAP Solenoid Controls
Fuel Sensor and EVAP Solenoid Controls