GM Service Manual Online
For 1990-2009 cars only
Makes
🢒
Pontiac
🢒
2005
🢒
Wave
🢒 Left Front Door
Left Front Door
Left Front Door
Master Electrical Component List
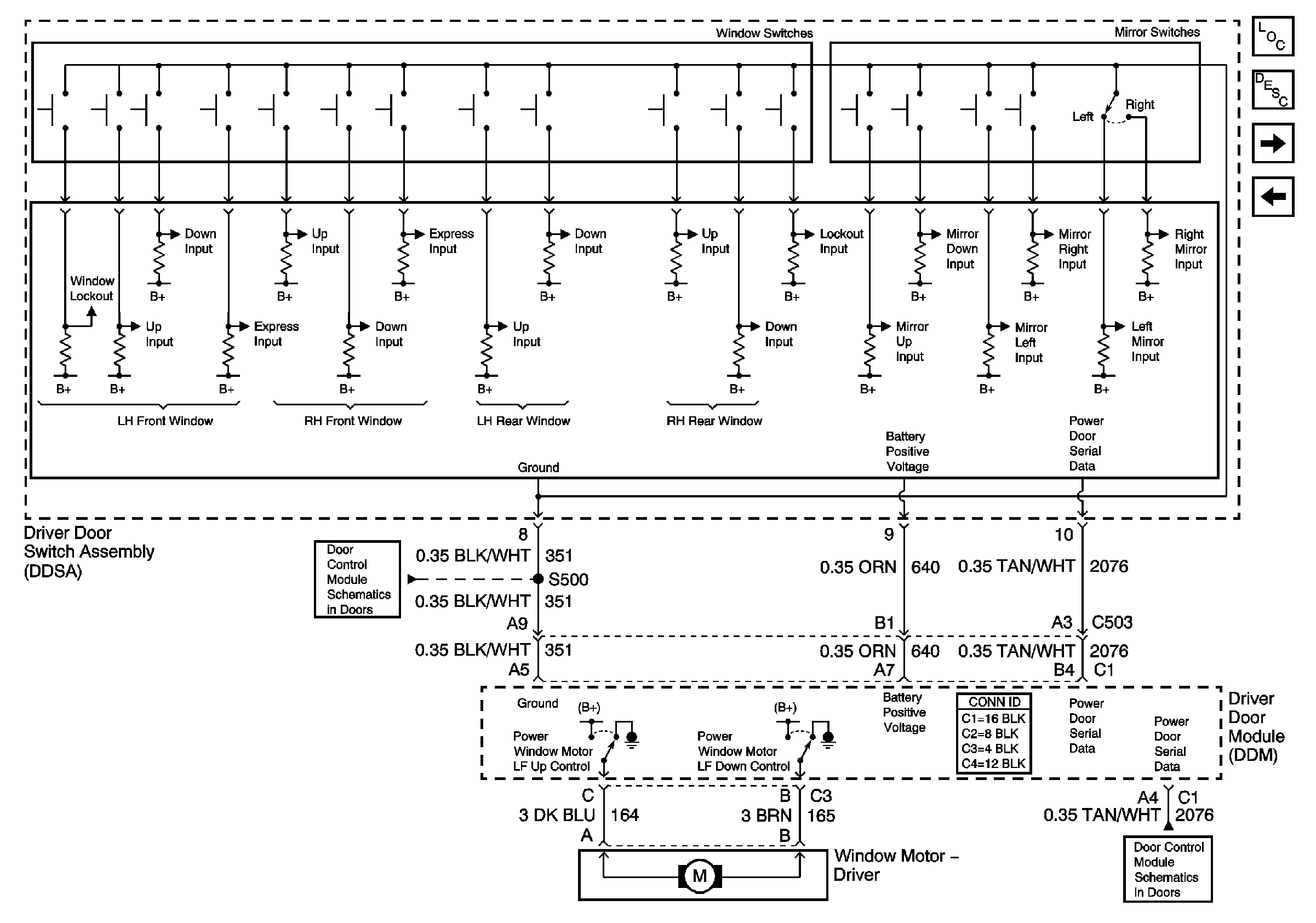
Power Windows Description and Operation
Right Rear Door
Right Front Door
Driver Door Switch Assembly
Simple Bus Interface (SBI)