GM Service Manual Online
For 1990-2009 cars only
Makes
🢒
Pontiac
🢒
2005
🢒
Wave
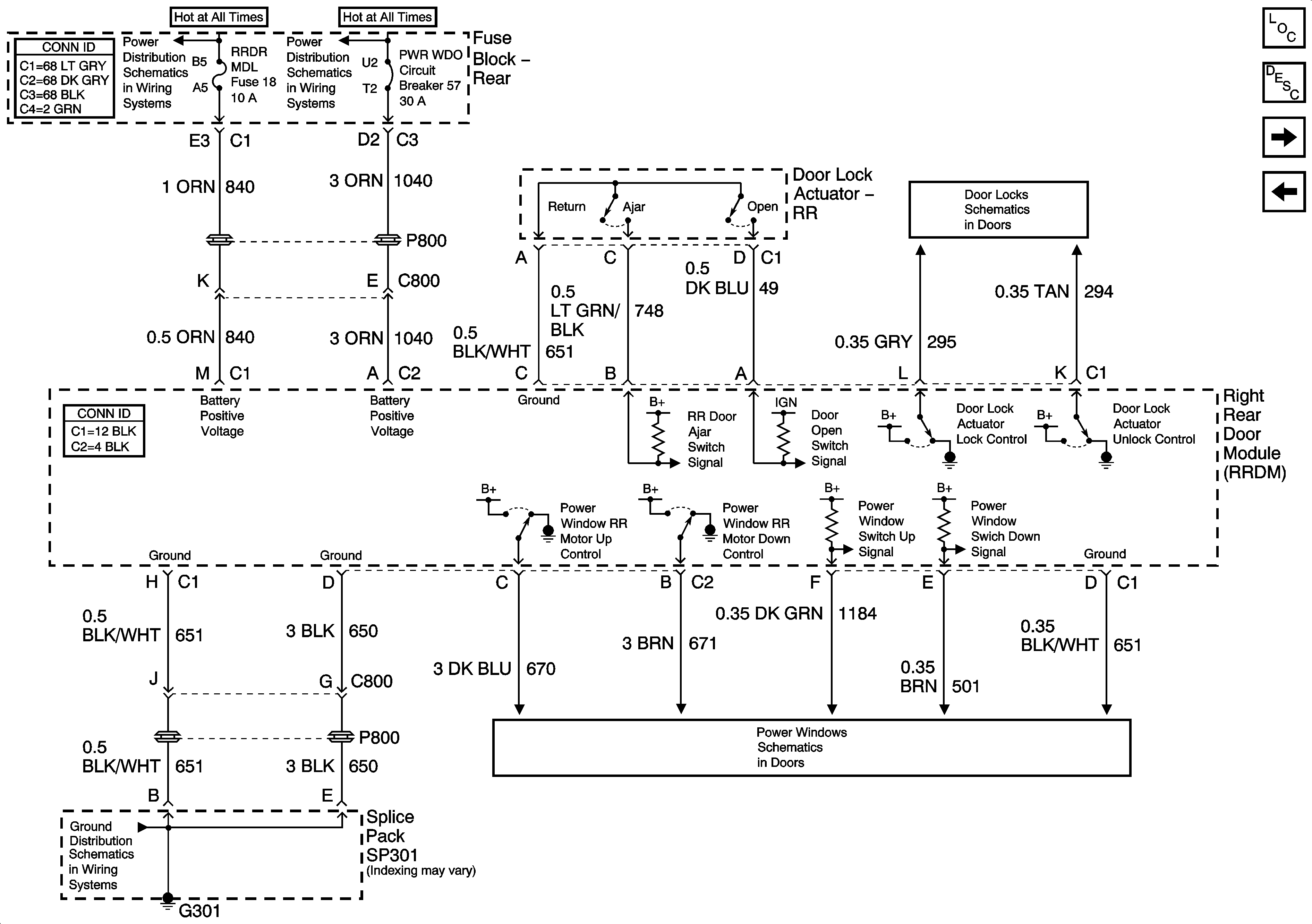
🢒 Right Rear Door Module
Right Rear Door Module
RRDM
Master Electrical Component List
Power Door Locks Description and Operation
Driver Door Switch Assembly
Left Rear Door Module
HVAC BATT, DRV MDL, PASS MDL, and RRDRMDL Fuses
PWR WDO and PWR SEAT Circuit Breakers
Right Rear Door
G300 and G301 - 1 of 2
Right Rear Door