GM Service Manual Online
For 1990-2009 cars only
Makes
🢒
Pontiac
🢒
2005
🢒
Wave
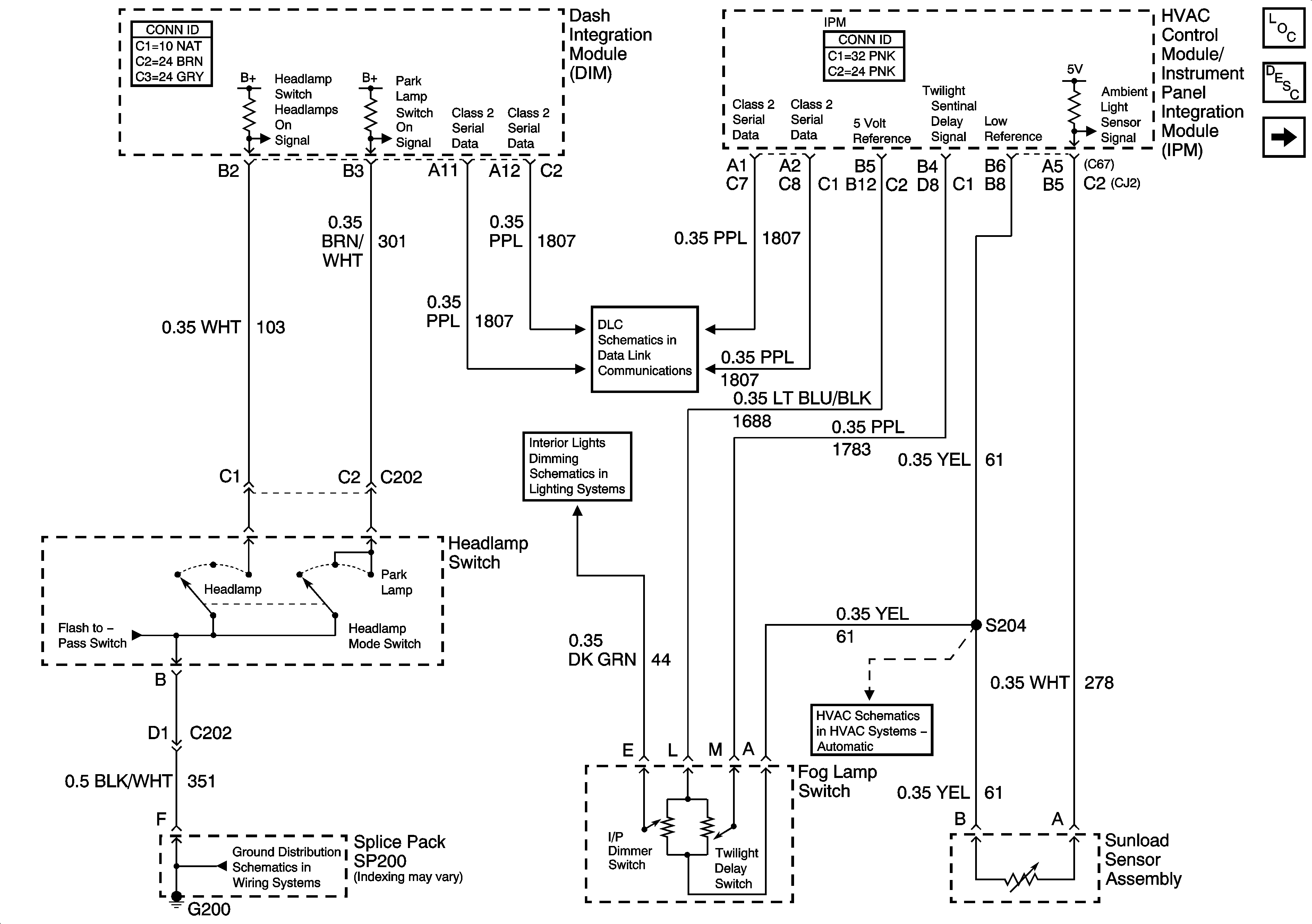
🢒 Headlamp Controls
Headlamp Controls
Headlamp Controls
Master Electrical Component List
Exterior Lighting Systems Description and Operation
DRL Controls and High Beam Headlamps
Serial Data Class 2
Dimming Control
G200
Temperature Sensors