GM Service Manual Online
For 1990-2009 cars only
Makes
🢒
Pontiac
🢒
2005
🢒
Wave
🢒 Rear Window Defogger and Heated Mirrors
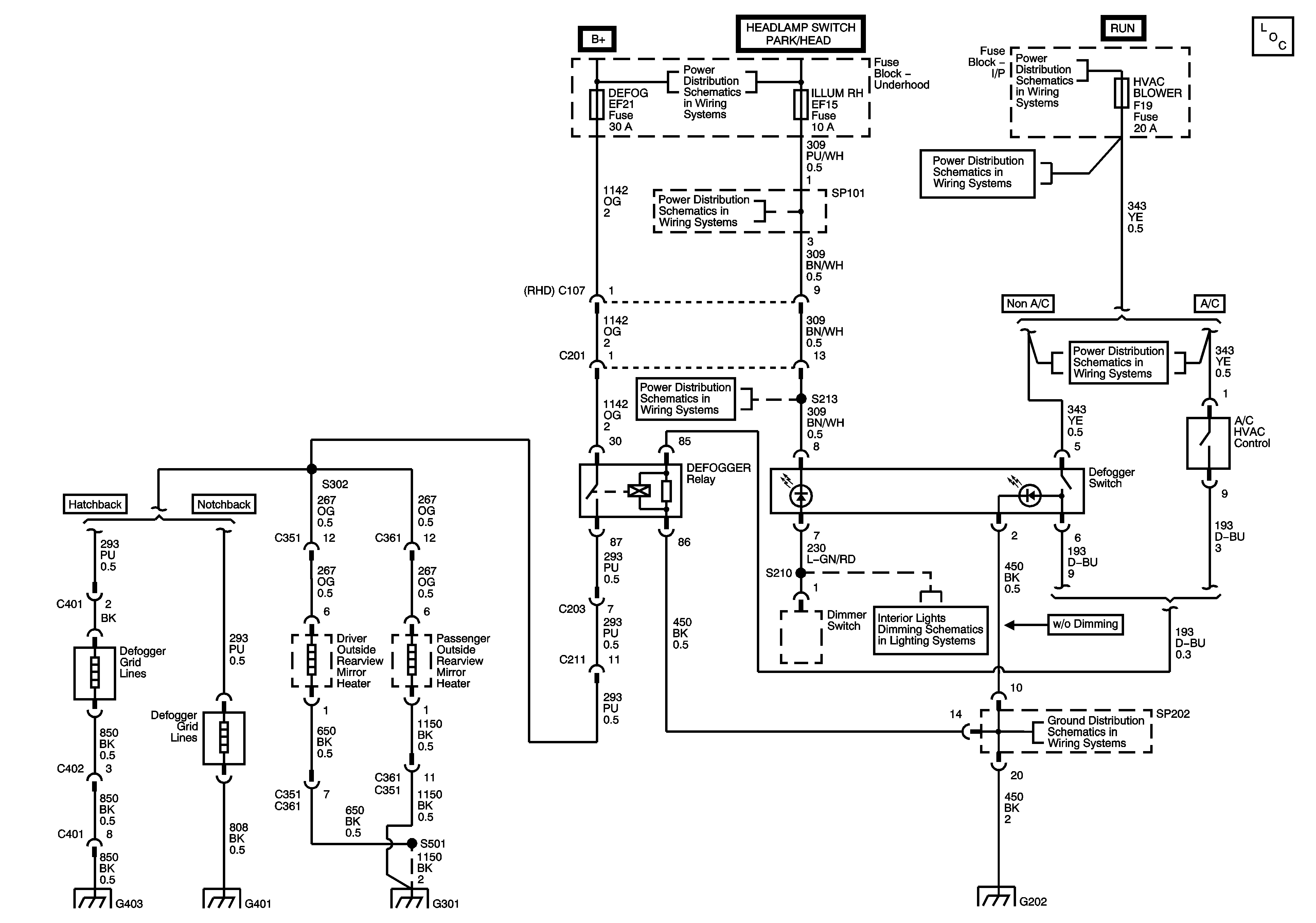
Rear Window Defogger and Heated Mirrors
Master Electrical Component List
Underhood Fuse Block - ABS, BLOWER, HORN, SUNROOF, DEFOG Fuses
Underhood Fuse Block - IGN 2 Fuse, Ignition Switch, I/P Fuse Block - DIS INJECTOR, ECM TCM, WIPER WASHER, and HVAC BLOWER Fuses
Underhood Fuse Block - IGN 2 Fuse, Ignition Switch, I/P Fuse Block - DIS INJECTOR, ECM TCM, WIPER WASHER, and HVAC BLOWER Fuses
Underhood Fuse Block - ILLUM LAMP, ILLUM RH and LH Fuses
Underhood Fuse Block - IGN 2 Fuse, Ignition Switch, I/P Fuse Block - DIS INJECTOR, ECM TCM, WIPER WASHER, and HVAC BLOWER Fuses
Underhood Fuse Block - ILLUM LAMP, ILLUM RH and LH Fuses
Interior Lights I/P w/Dimmer
G202 - 1 of 3
G401 - Notchback
G301 (LHD)
G202 - 1 of 3