GM Service Manual Online
For 1990-2009 cars only
Makes
🢒
Pontiac
🢒
2005
🢒
Wave
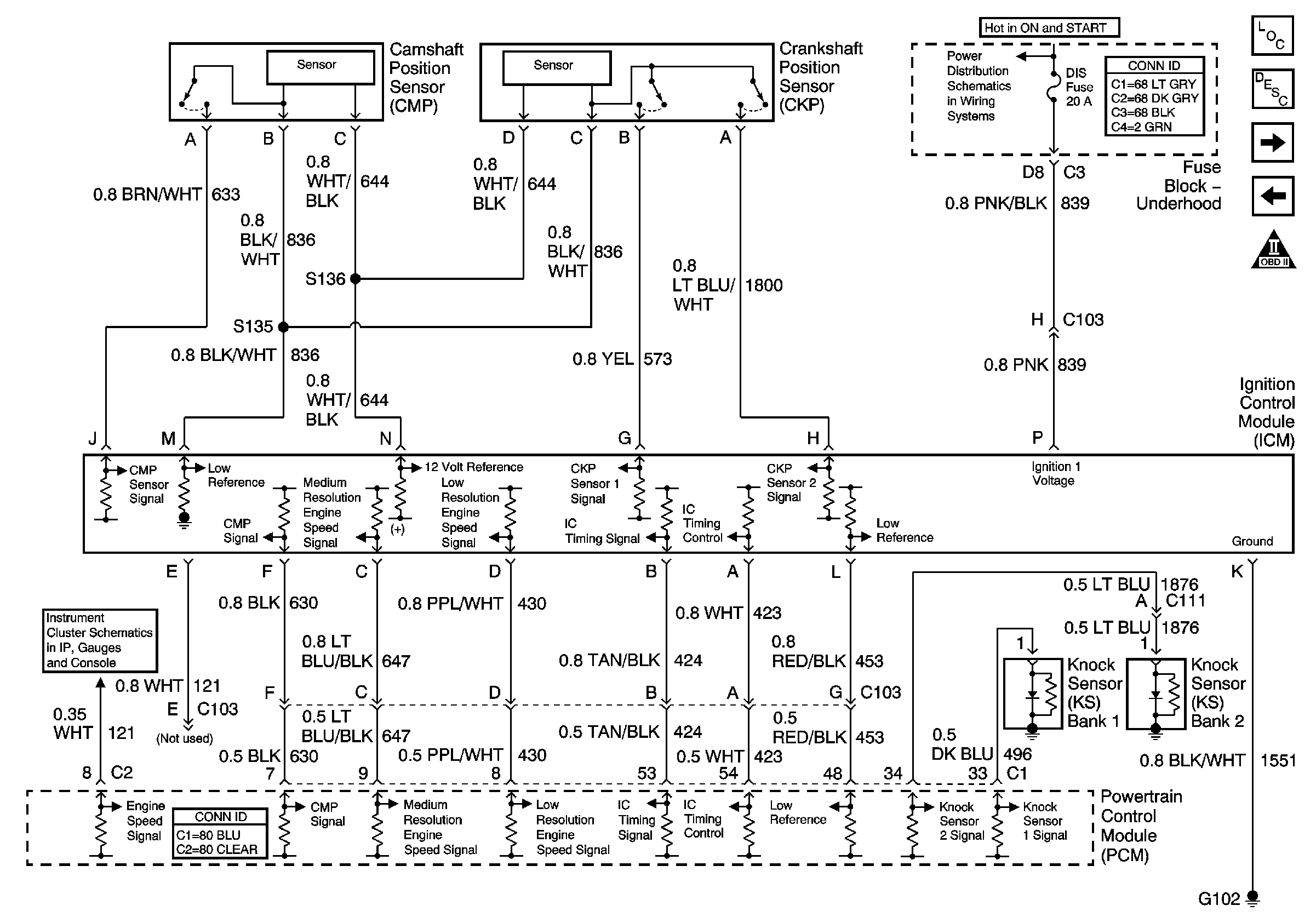
🢒 Ignition Controls
Ignition Controls
Ignition Controls
Master Electrical Component List
TRANS, DIS, OXY SEN, IGN 1 Fuses and the IGN-1 and AIR Pump Relays(Fuse Block Underhood)
Fuel Pump Controls
Heated Oxygen Sensors (HO2S)
PCM Signals Speedometer, Tachometer, and Fuel Indicators