GM Service Manual Online
For 1990-2009 cars only
Makes
🢒
Pontiac
🢒
2005
🢒
Wave
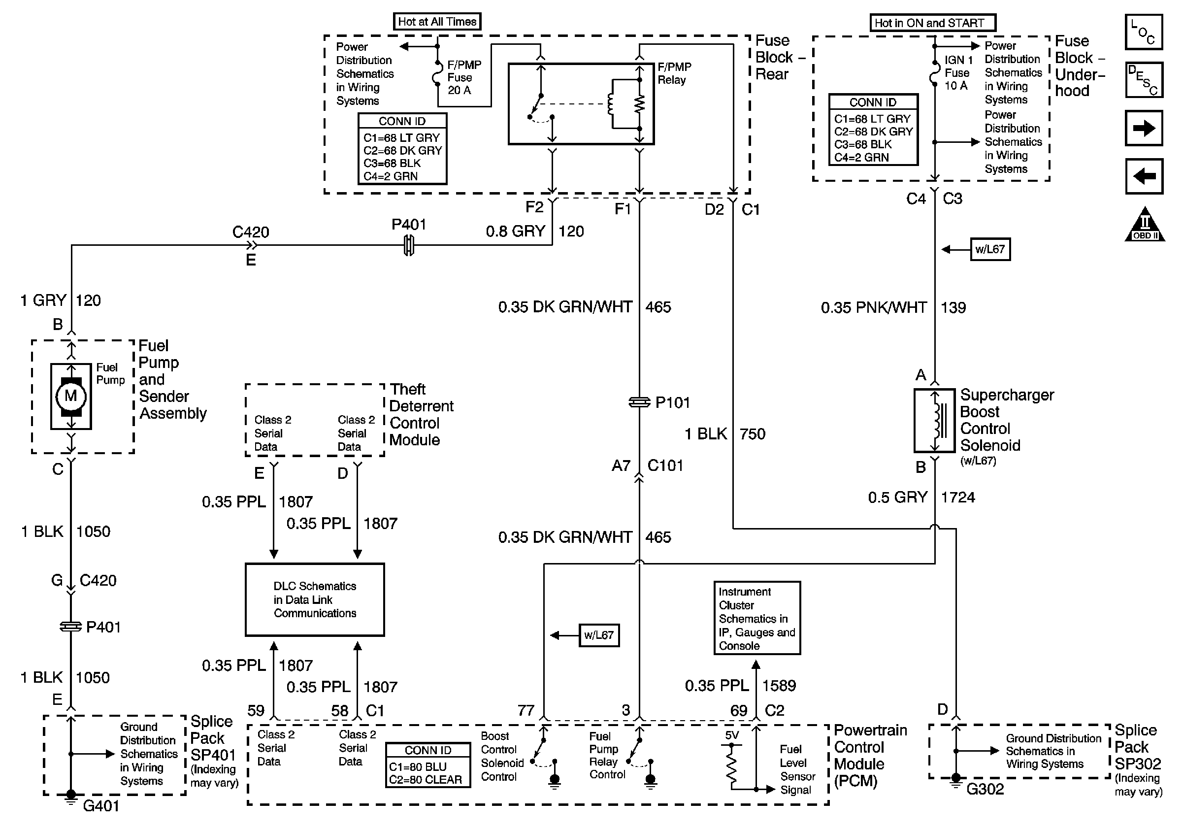
🢒 Fuel Pump Controls
Fuel Pump Controls
Fuel Pump Controls
Master Electrical Component List
Battery Voltage to the Rear Fuse Block
G401 (1 of 2)
Battery Feed to the Fuse Block Underhood
TRANS, DIS, OXY SEN, IGN 1 Fuses and the IGN-1 and AIR Pump Relays(Fuse Block Underhood)
G302
Fuel Injectors
Ignition Controls
Serial Data Class 2
PCM Signals Speedometer, Tachometer, and Fuel Indicators