GM Service Manual Online
For 1990-2009 cars only
Makes
🢒
Pontiac
🢒
2005
🢒
Wave
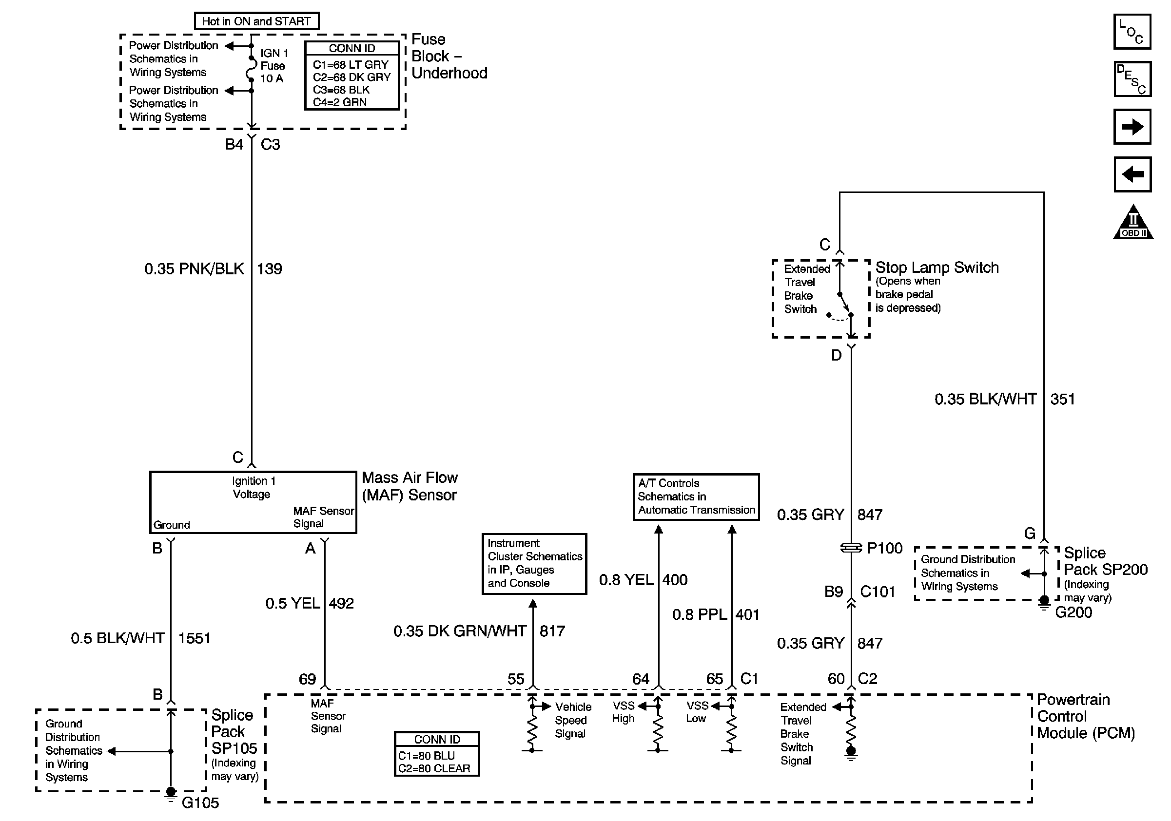
🢒 Engine Data Sensors - MAF, VSS and Extended Brake Travel Switch
Engine Data Sensors - MAF, VSS and Extended Brake Travel Switch
Engine Data Sensors - MAF, VSS and Extended Brake Travel Switch
Master Electrical Component List
Heated Oxygen Sensors (HO2S)
Engine Data Sensors - Pressure and Temperature
G104 and G105
Battery Feed to the Fuse Block Underhood
TRANS, DIS, OXY SEN, IGN 1 Fuses and the IGN-1 and AIR Pump Relays(Fuse Block Underhood)
PCM Signals Speedometer, Tachometer, and Fuel Indicators
Transaxle Inputs
G200