GM Service Manual Online
For 1990-2009 cars only
Makes
🢒
Pontiac
🢒
2005
🢒
Wave
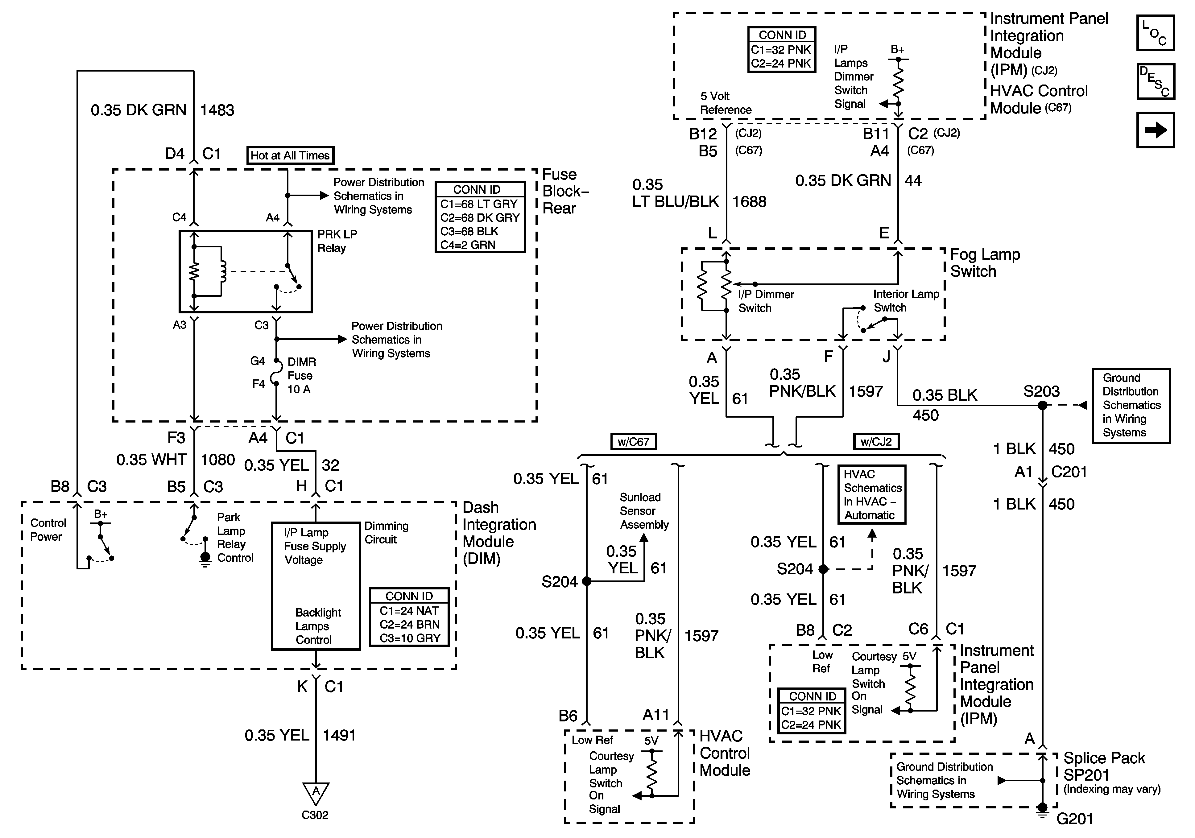
🢒 Dimming Control
Dimming Control
Dimming Control
Master Electrical Component List
Battery Voltage to the Rear Fuse Block
Battery Voltage to the Rear Fuse Block
IP and Console Dimming
Headlamp, Foglamp, and Ambient Light Sensor Inputs (w/C67)
Temp Sensors w/CJ2
G201 (1 of 2)
G201 (1 of 2)
IP and Console Dimming