GM Service Manual Online
For 1990-2009 cars only
Makes
🢒
Pontiac
🢒
2005
🢒
Wave
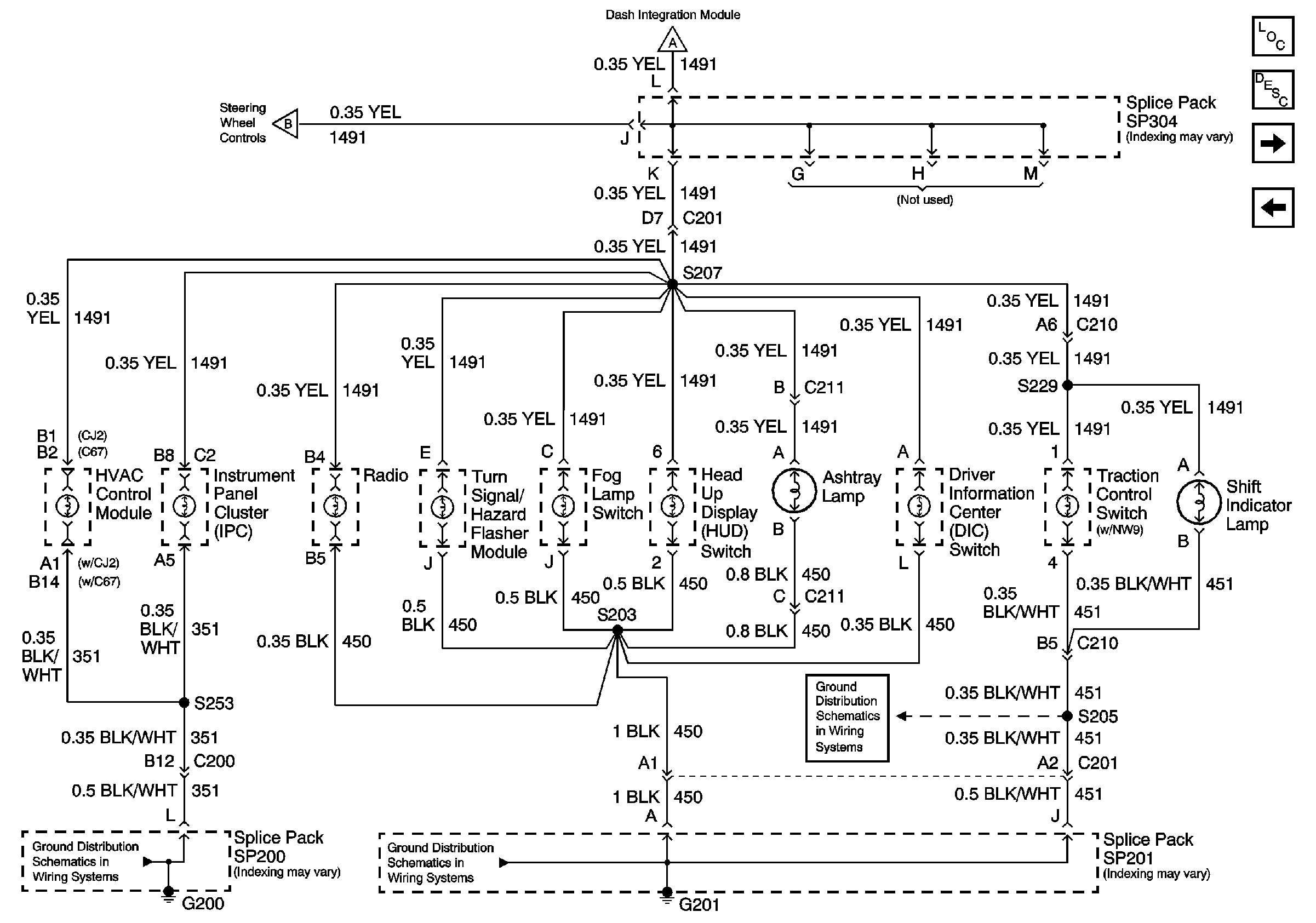
🢒 IP and Console Dimming
IP and Console Dimming
IP and Console Dimming
Master Electrical Component List
Dimming Control
Steering Column Lamps Dimming
G201 (1 of 2)
Dimming Control
G201 (2 of 2)
Front Floor Lamps Dimming
Dimming Control
G200