GM Service Manual Online
For 1990-2009 cars only
Makes
🢒
Pontiac
🢒
2005
🢒
Wave
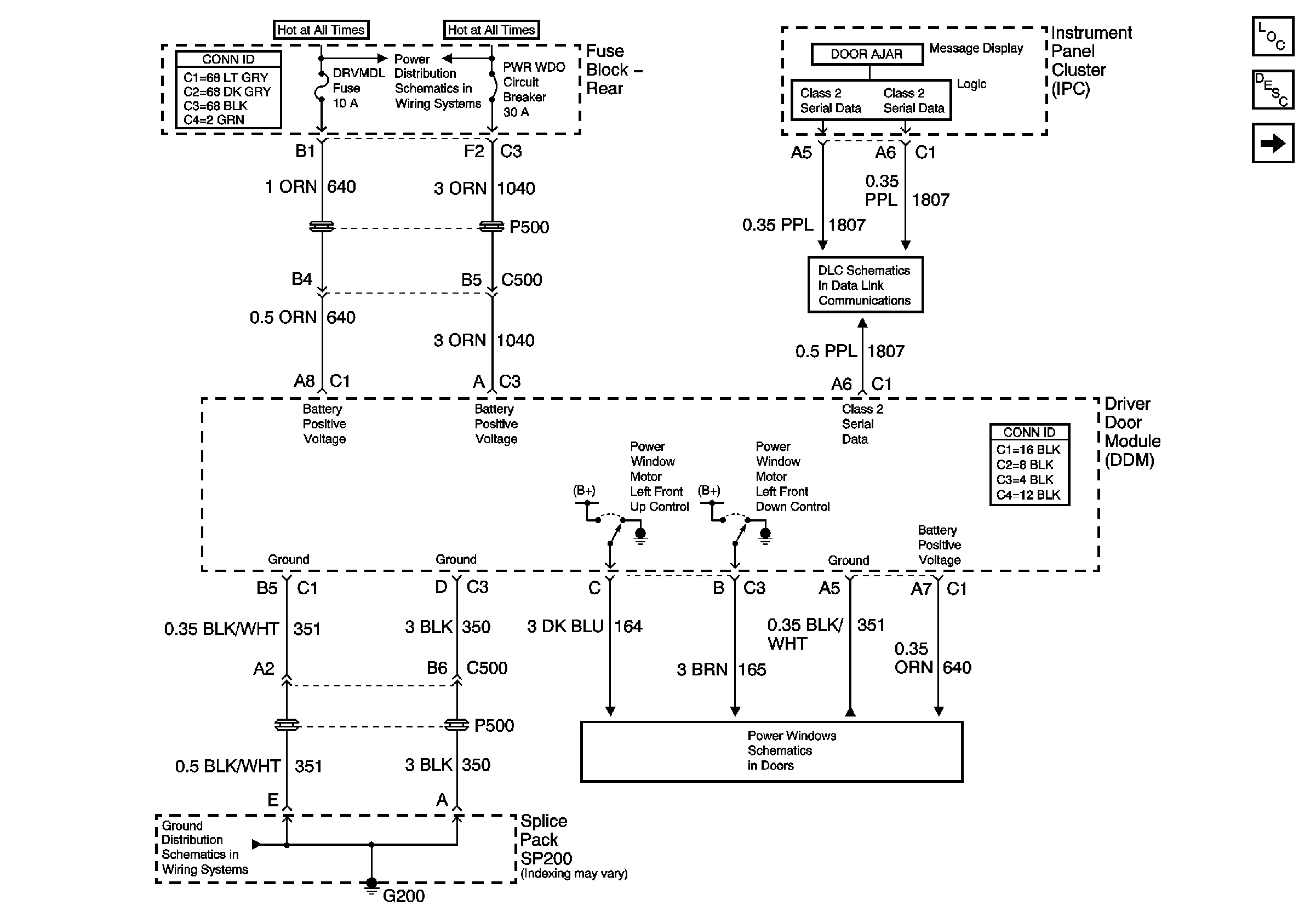
🢒 DDM Power and Ground
DDM Power and Ground
DDM Power and Ground
Master Electrical Component List
Battery Voltage to the Rear Fuse Block
G200
Serial Data Class 2
Left Front Door
PDM Power and Ground