GM Service Manual Online
For 1990-2009 cars only

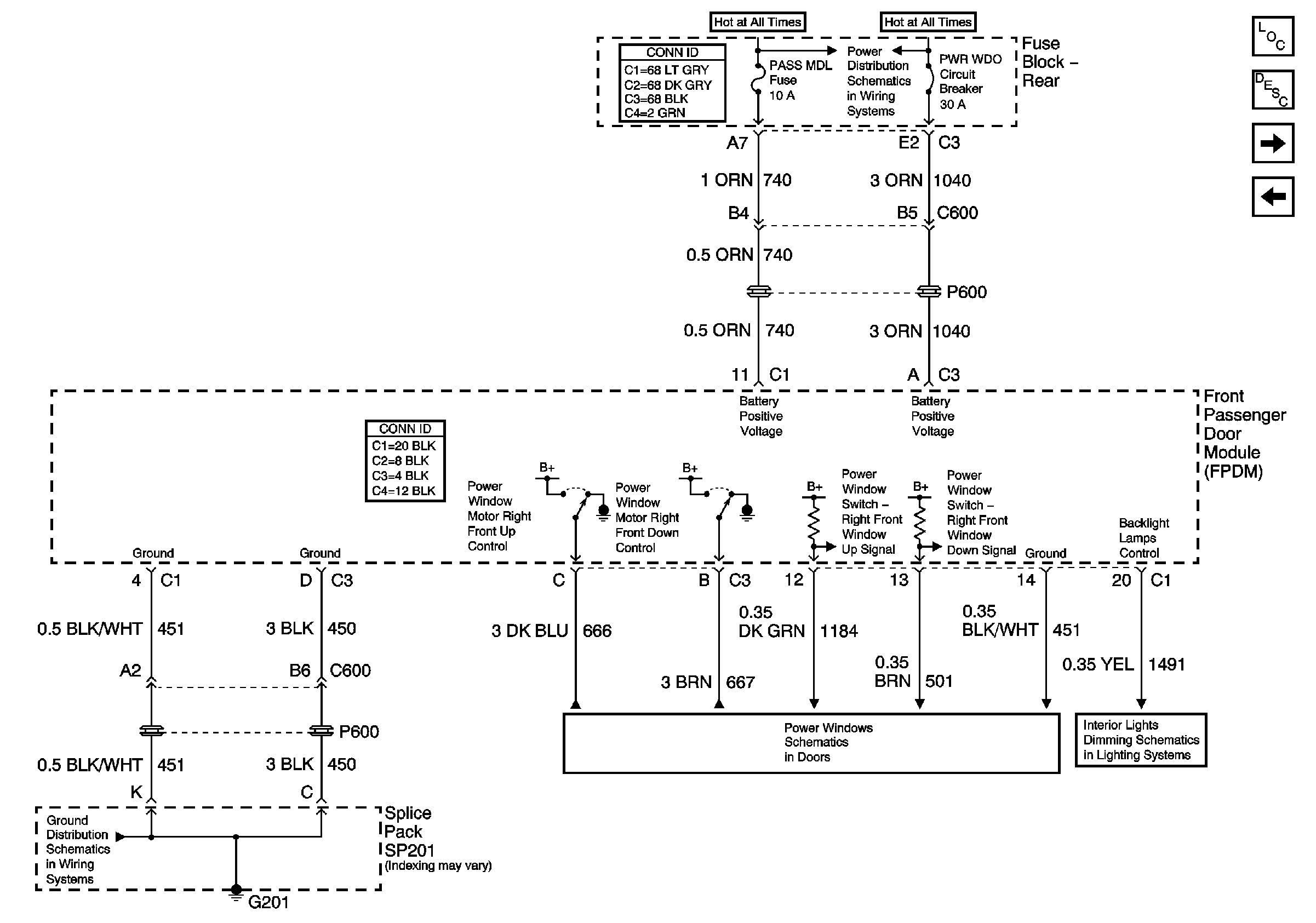
PDM Power and Ground

PDM Power and Ground


Object Number: 766634  Size: FS
Master Electrical Component List
G201 (1 of 2)
Battery Voltage to the Rear Fuse Block
Right Front Door
Front Floor Lamps Dimming
DDM Inputs/Outputs
DDM Power and Ground