GM Service Manual Online
For 1990-2009 cars only
Makes
🢒
Pontiac
🢒
2007
🢒
Wave
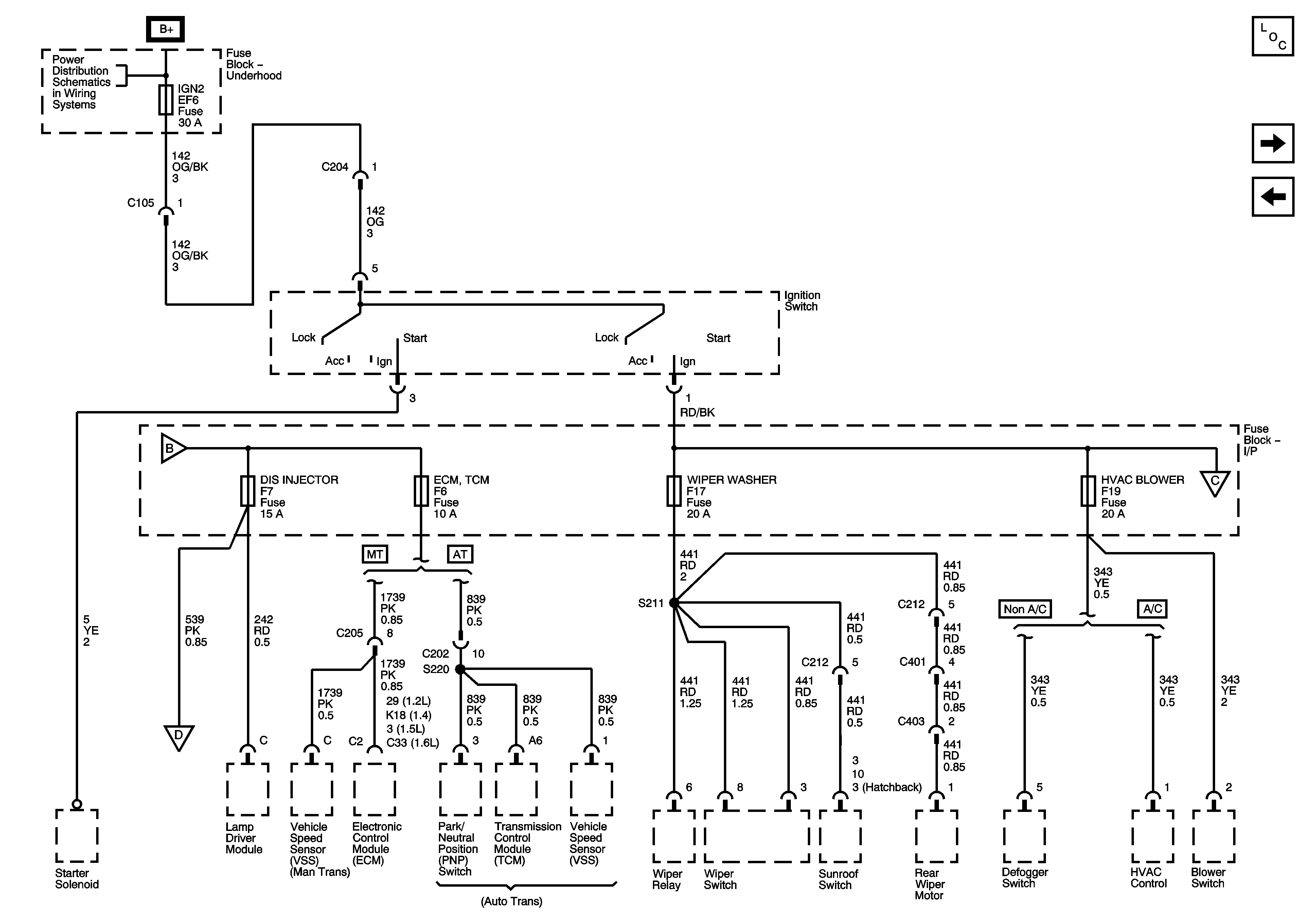
🢒 Power Distribution - Ignition switch and Fuses F6, 7, 17, 19
Power Distribution - Ignition switch and Fuses F6, 7, 17, 19
Ignition Switch and Fuses F6, 7 - 1 of 2, 17 and 19
Master Electrical Component List
Power Distribution - Fuse F7 cont.
Power Distribution - Ignition Switch and Fuses EF5, F1, 2, 3, 4, 5, 8
Power Distribution - Fuse F18
Power Distribution - Battery Feed
Power Distribution - Ignition Switch and Fuses EF5, F1, 2, 3, 4, 5, 8
Power Distribution - Fuse F7 cont.