GM Service Manual Online
For 1990-2009 cars only
Makes
🢒
Pontiac
🢒
2007
🢒
Wave
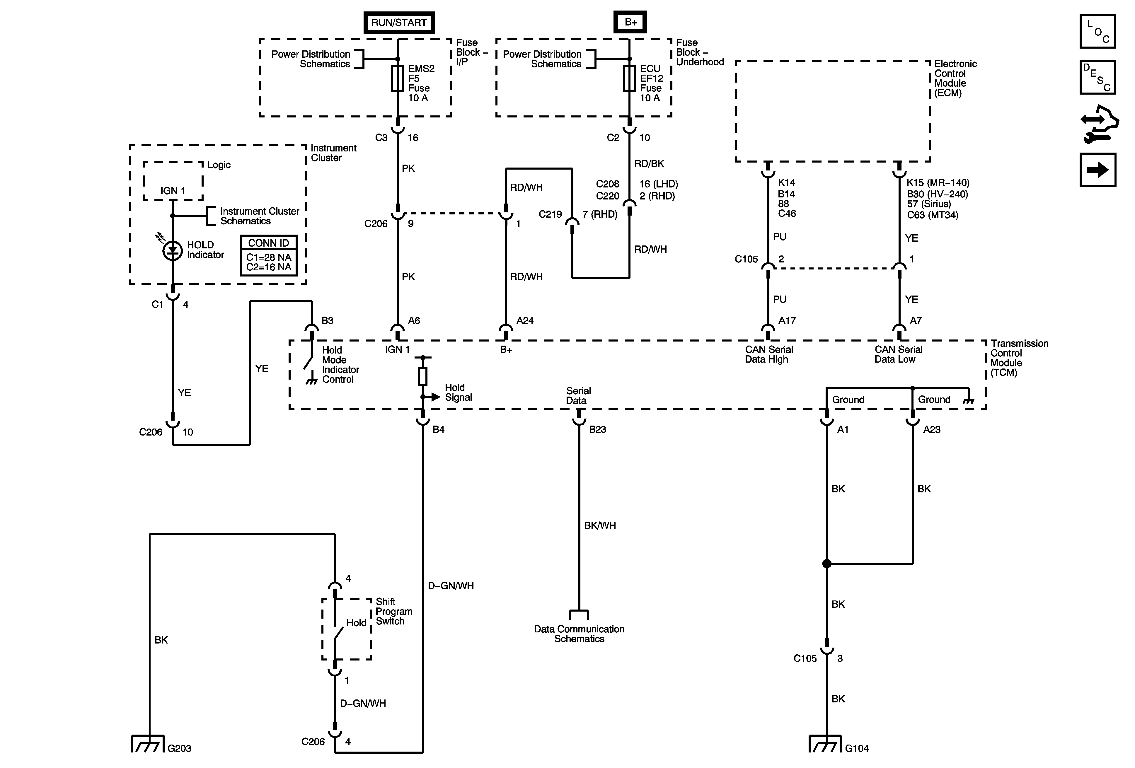
🢒 Transmission Control Module (TCM) Power and Ground Distribution, Serial Data and Shift Program Switch
Transmission Control Module (TCM) Power and Ground Distribution, Serial Data and Shift Program Switch
Transmission Control Module (TCM) Power and Ground Distribution, Serial Data and Shift Program Switch
Master Electrical Component List Notchback
Electronic Component Description
Control Module References
Pressure, TCC, Shift, Timing Solenoid Valves and TFT Sensor
SDM, EMS 1, EMS 2 Fuses
ABS, HAZARD, ECU, FUEL PUMP Fuses
Charge, Brake, MIL, Seat Belt, Air Bag, Oil Pressure, HOLD, ABS, Door Open Indicators
G203
Data Communication Schematics
G104