GM Service Manual Online
For 1990-2009 cars only
Makes
🢒
Pontiac
🢒
2007
🢒
Wave
🢒 MR140, HV240
MR140, HV240
MR140, HV240
Master Electrical Component List (Notchback)
Control Module References
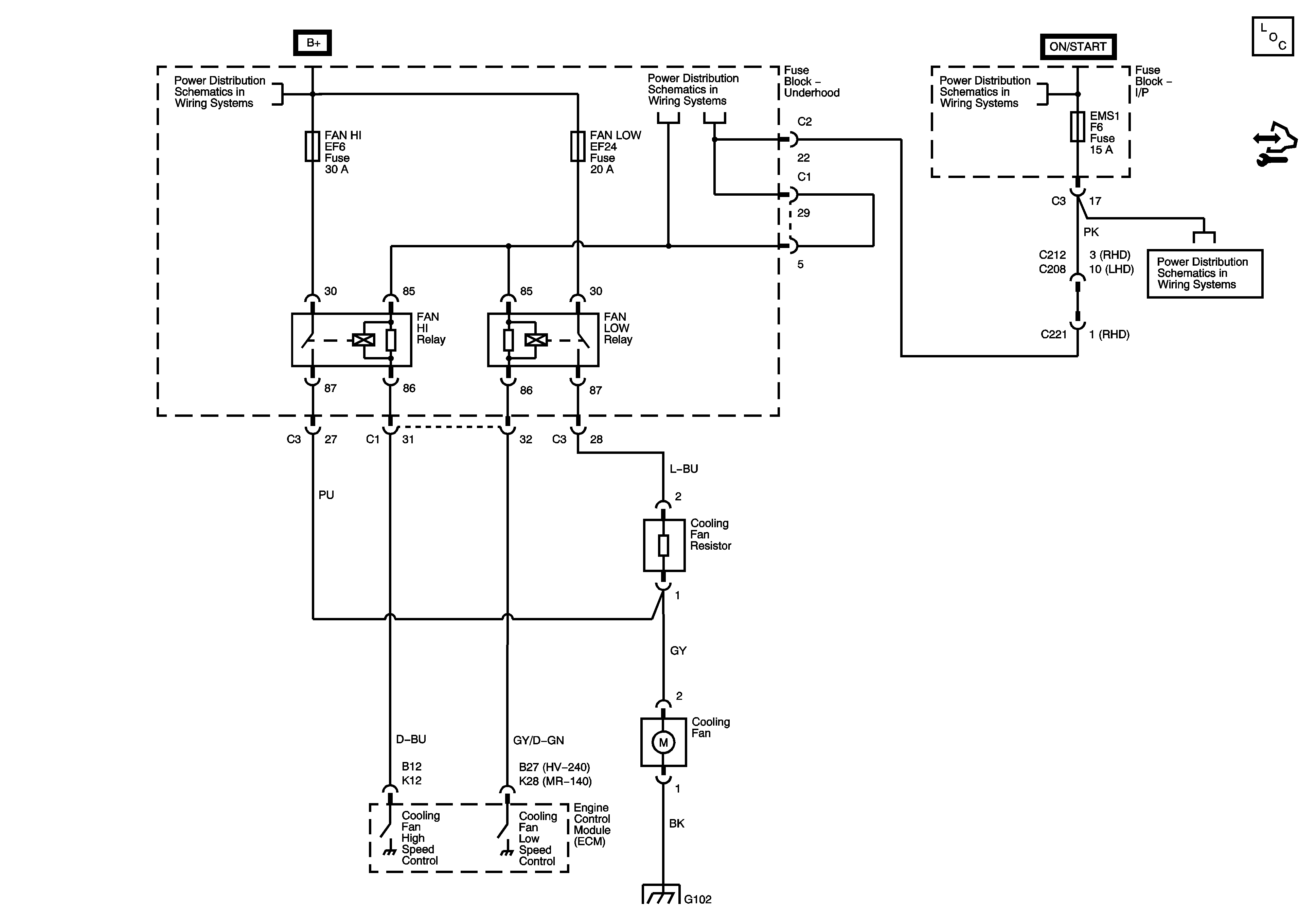
FAN LOW, FAN HI, A/C COMP, P/WINDOW Relays and Fuses
FAN LOW, FAN HI, A/C COMP, P/WINDOW Relays and Fuses
SDM, EMS 1, EMS 2 Fuses
SDM, EMS 1, EMS 2 Fuses
G102