GM Service Manual Online
For 1990-2009 cars only
Makes
🢒
Pontiac
🢒
2007
🢒
Wave
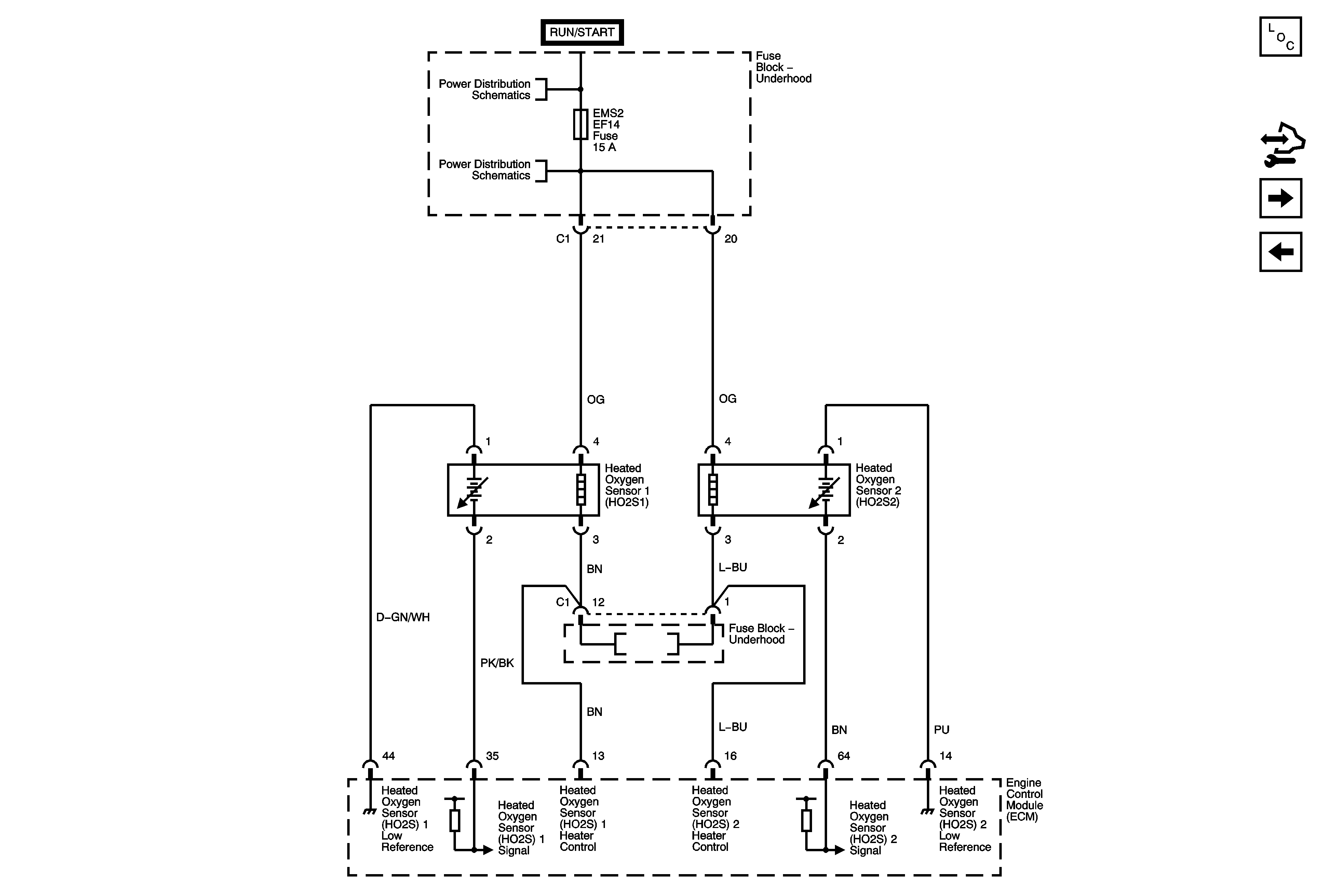
🢒 Heated Oxygen Sensors
Heated Oxygen Sensors
Heated Oxygen Sensors
Master Electrical Component List (Notchback)
Control Module References
EVAP Canister Purge Solenoid, CMP, CKP, Knock, Rough Road Sensors
Ignition Coils
SDM, EMS 1, EMS 2 Fuses