GM Service Manual Online
For 1990-2009 cars only
Makes
🢒
Pontiac
🢒
2007
🢒
Wave
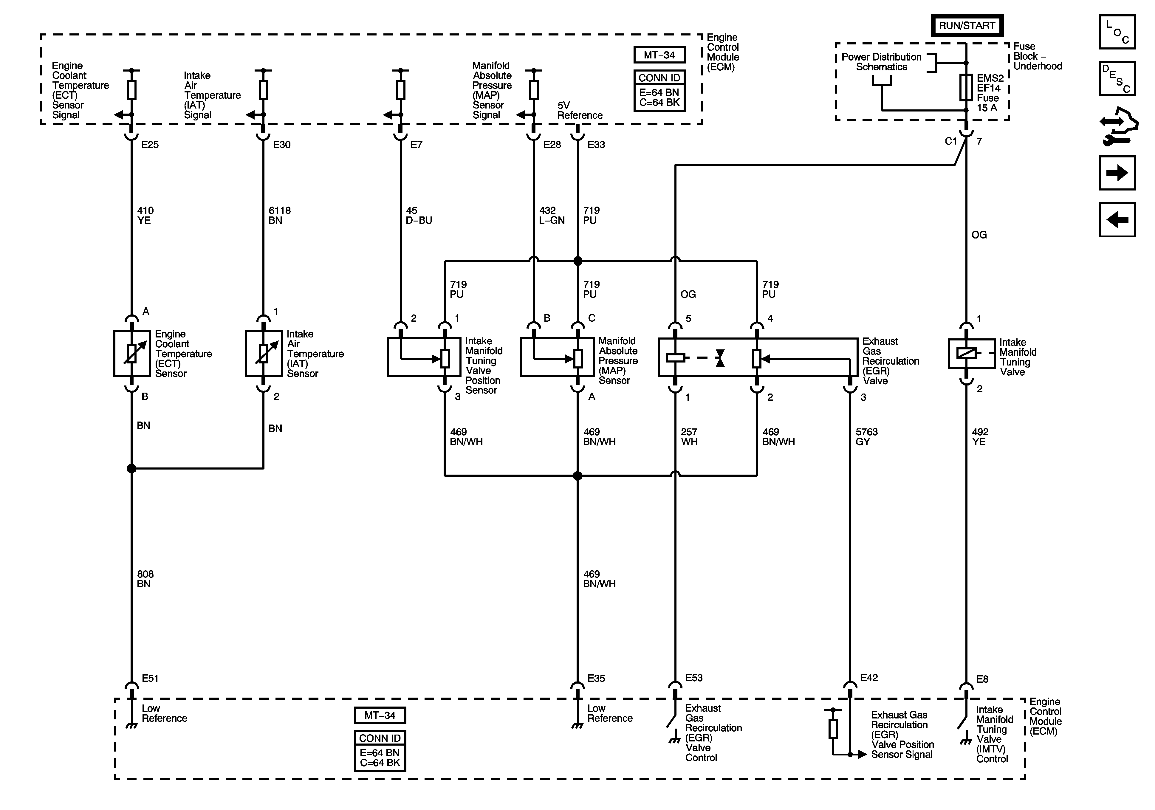
🢒 Engine Data Pressure and Temperature Sensors, Device Controls
Engine Data Pressure and Temperature Sensors, Device Controls
Engine Data Pressure and Temperature Sensors, Device Controls
Master Electrical Component List Notchback
Engine Control Module Description
Control Module References
Electronic Throttle Control (ETC)
Power, Ground, MIL, Serial Data
SDM, EMS 1, EMS 2 Fuses