GM Service Manual Online
For 1990-2009 cars only
Makes
🢒
Pontiac
🢒
2007
🢒
Wave
🢒 Electronic Throttle Control (ETC)
Electronic Throttle Control (ETC)
Electronic Throttle Control (ETC)
Master Electrical Component List Notchback
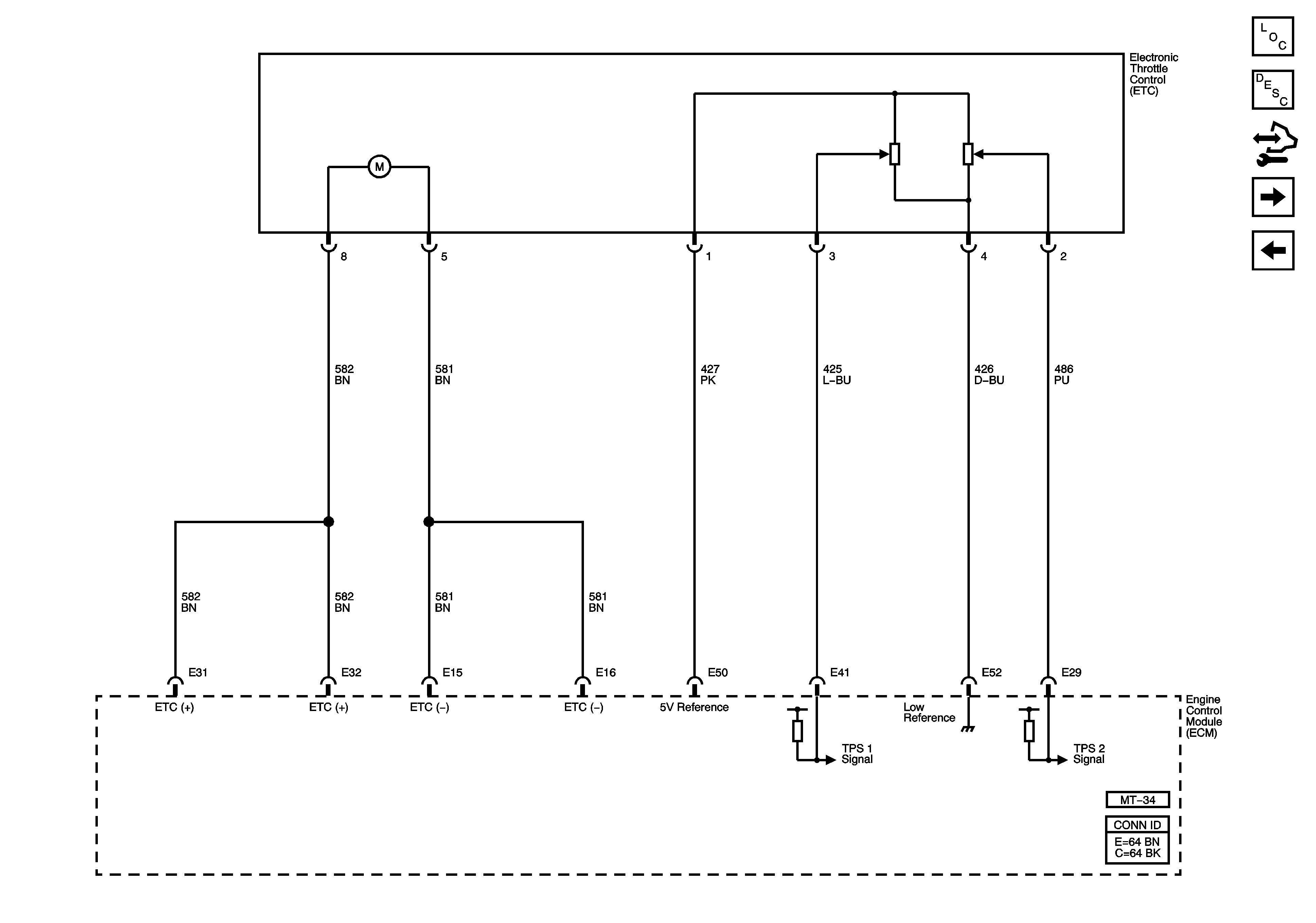
Throttle Actuator Control (TAC) System Description
Control Module References
Accelerator Pedal Position (APP) Sensor, Stop Lamp
Engine Data Pressure and Temperature Sensors, Device Controls