GM Service Manual Online
For 1990-2009 cars only
Makes
🢒
Pontiac
🢒
2007
🢒
Wave
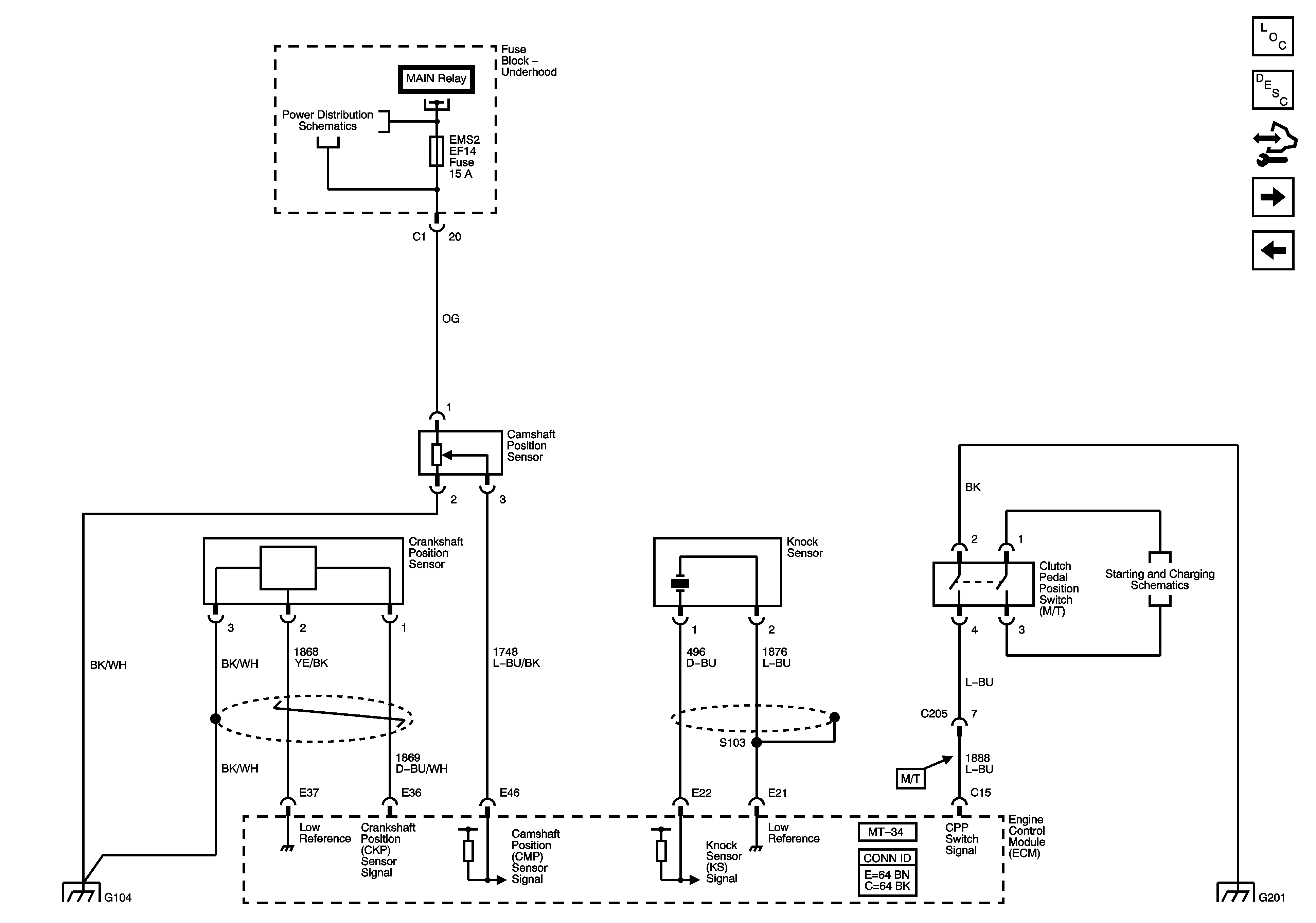
🢒 Ignition Controls - Sensors and Clutch Pedal Position (CPP) Switch
Ignition Controls - Sensors and Clutch Pedal Position (CPP) Switch
Ignition Controls - Sensors and Clutch Pedal Position Switch
Master Electrical Component List Notchback
Electronic Ignition (EI) System Description
Control Module References
Fuel Pump and Injectors
Ignition Coil Module
MAIN, FAN, A/C RELAYS, EMS1, EMS2 Fuses - SIRIUS D42, MT34
Starting System
G104
G201 - 1 of 3