GM Service Manual Online
For 1990-2009 cars only
Makes
🢒
Pontiac
🢒
2007
🢒
Wave
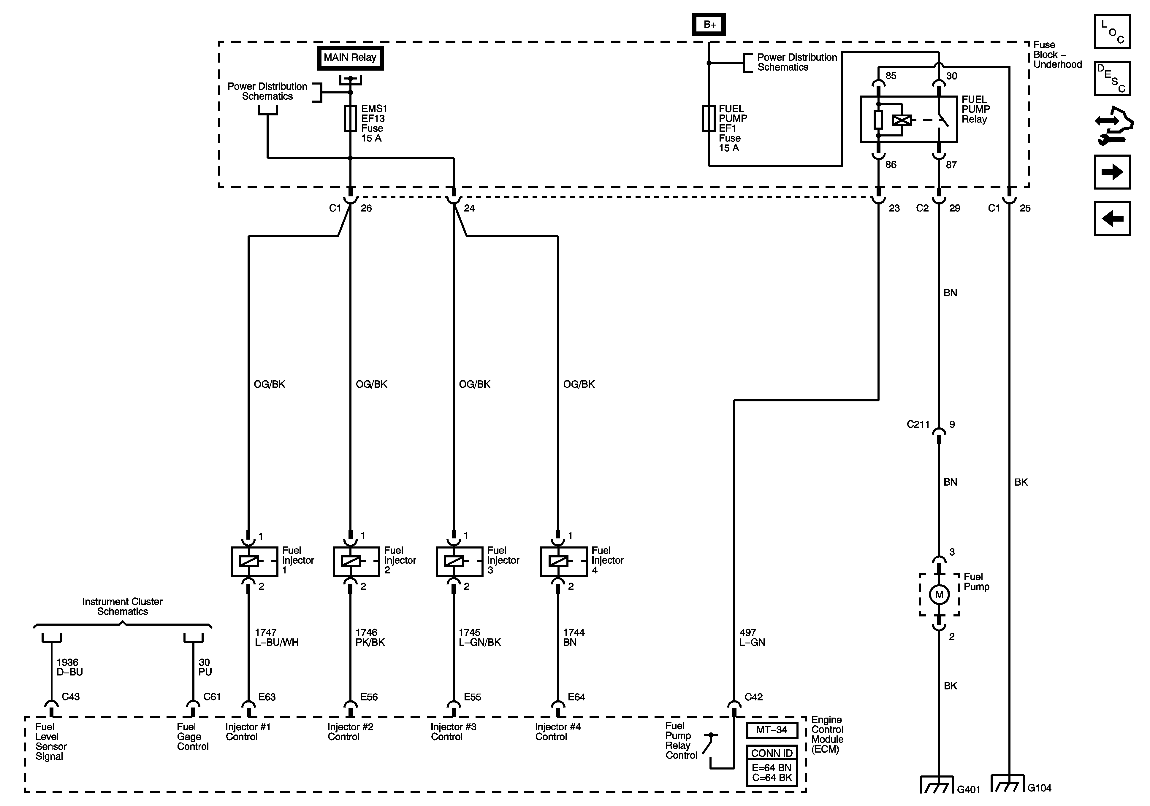
🢒 Fuel Pump and Injectors
Fuel Pump and Injectors
Fuel Pump and Injectors
Master Electrical Component List Notchback
Fuel System Description
Control Module References
Fuel Controls and Rough Road Sensor
Ignition Controls - Sensors and Clutch Pedal Position (CPP) Switch
SDM, EMS 1, EMS 2 Fuses
ABS, HAZARD, ECU, FUEL PUMP Fuses
Instrument Cluster Power and Ground, Ambient Temperature, Engine Temperature, Fuel, Speed Gages
G401, G402
G104