GM Service Manual Online
For 1990-2009 cars only
Makes
🢒
Pontiac
🢒
2007
🢒
Wave
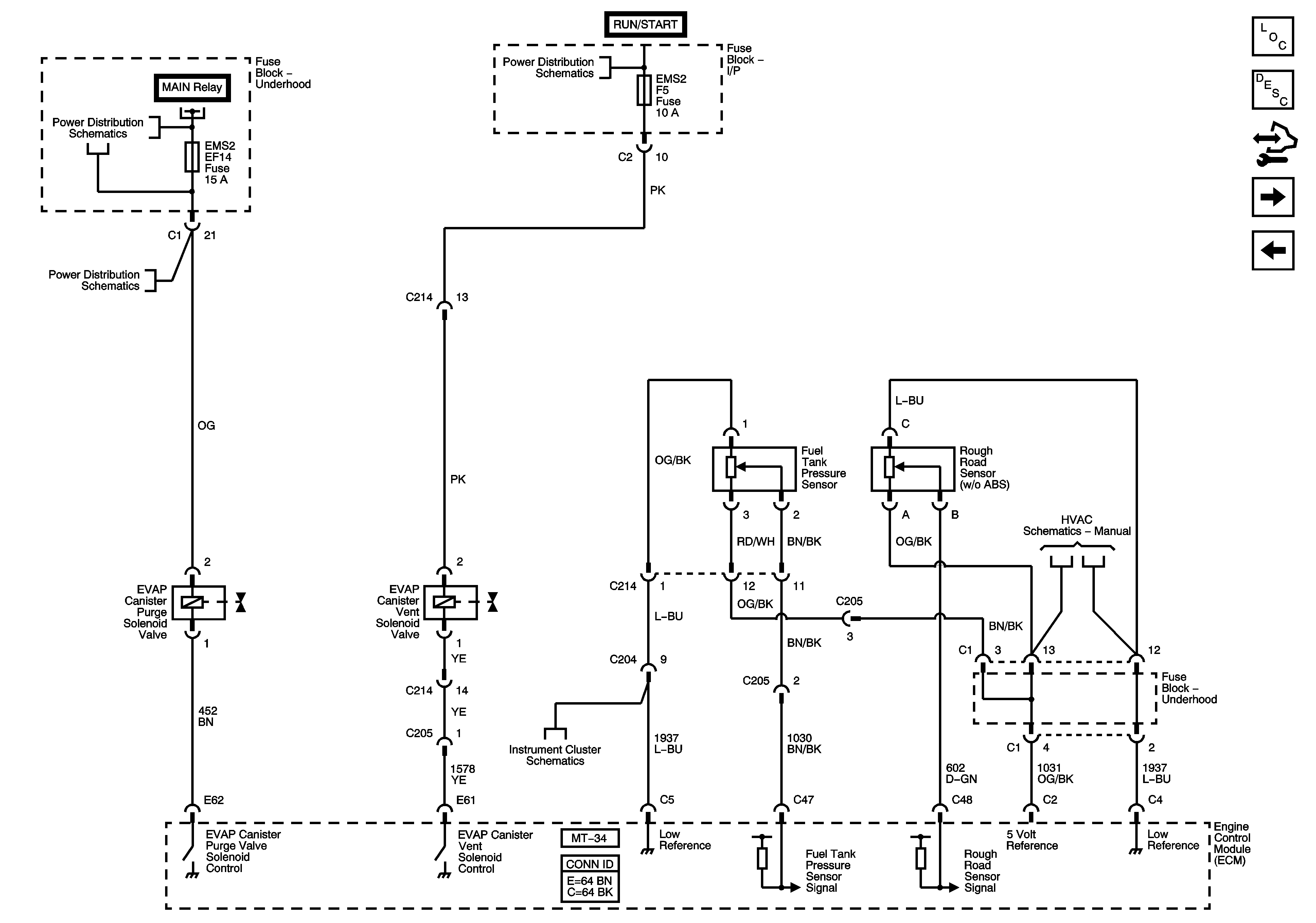
🢒 Fuel Controls and Rough Road Sensor
Fuel Controls and Rough Road Sensor
Fuel EVAP Controls and Rough Road Sensor
Master Electrical Component List Notchback
Evaporative Emission Control System Description
Control Module References
Controlled/Monitored Subsystem References
Fuel Pump and Injectors
MAIN, FAN, A/C RELAYS, EMS1, EMS2 Fuses - SIRIUS D42, MT34
SDM, EMS 1, EMS 2 Fuses
MAIN, FAN, A/C RELAYS, EMS1, EMS2 Fuses - SIRIUS D42, MT34
Compressor Controls Sirius D42
Instrument Cluster Power and Ground, Ambient Temperature, Engine Temperature, Fuel, Speed Gages