GM Service Manual Online
For 1990-2009 cars only
Makes
🢒
Pontiac
🢒
2007
🢒
Wave
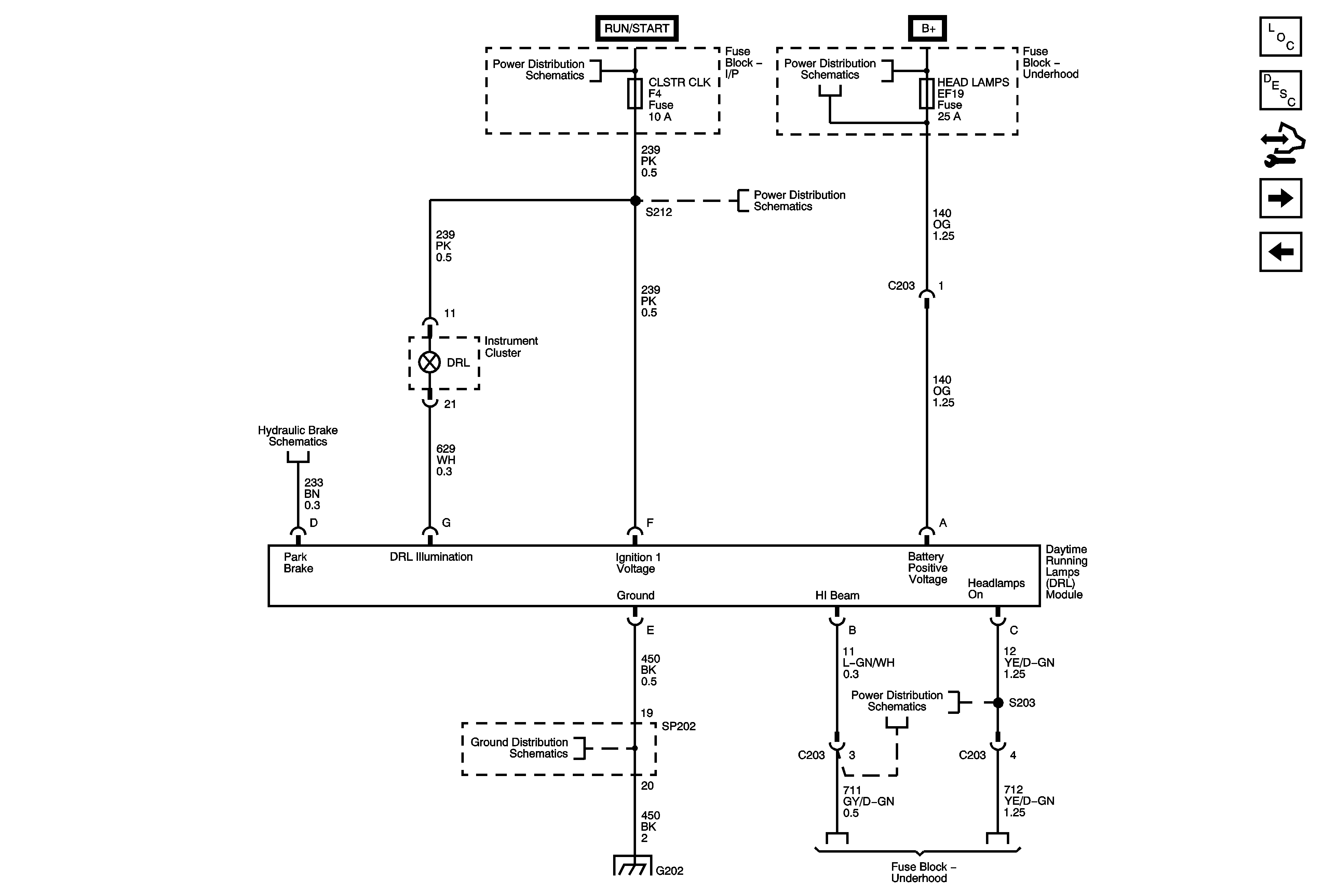
🢒 DRL - North America
DRL - North America
DRL - North America
Master Electrical Component List (Hatchback)
Exterior Lighting Systems Description and Operation
Control Module References
DRL - Scandinavia
Headlights
Ignition Switch and Fuses EF5, F1, 2, 3, 4, 5, 8, and 11
Battery Feed
Power Distribution Fuses EF18, 19, 23, 24, 25 and 26
Hydraulic Brakes
Ground Distribution G202 - 3 of 3, G201
Power Distribution Fuses EF18, 19, 23, 24, 25 and 26
Ground Distribution G202 - 1 of 3
Headlights