GM Service Manual Online
For 1990-2009 cars only
Makes
🢒
Pontiac
🢒
2007
🢒
Wave
🢒 DRL - Scandinavia
DRL - Scandinavia
DRL - Scandinavia
Master Electrical Component List (Hatchback)
Exterior Lighting Systems Description and Operation
Control Module References
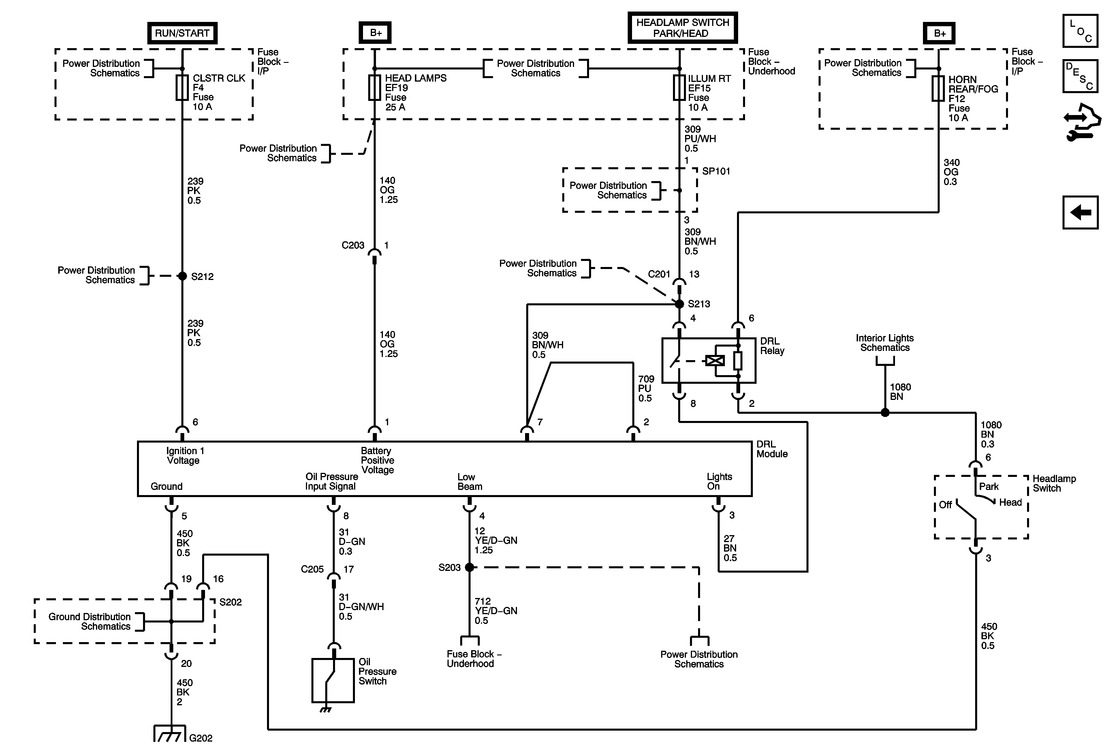
DRL - North America
Ignition Switch and Fuses EF5, F1, 2, 3, 4, 5, 8, and 11
Battery Feed
Power Distribution Fuses EF7,F12, 13, 14, 15, 16 and 23
Power Distribution Fuses EF18, 19, 23, 24, 25 and 26
Power Distribution Fuse EF20, ILLUM Relay, EF14 - 1 of and EF15
Ignition Switch and Fuses EF5, F1, 2, 3, 4, 5, 8, and 11
Power Distribution Fuse EF20, ILLUM Relay, EF14 - 1 of and EF15
Lamp Control Module
Ground Distribution G202 - 3 of 3, G201
Headlights
Battery Feed
Ground Distribution G202 - 1 of 3