GM Service Manual Online
For 1990-2009 cars only
Makes
🢒
Pontiac
🢒
2007
🢒
Wave
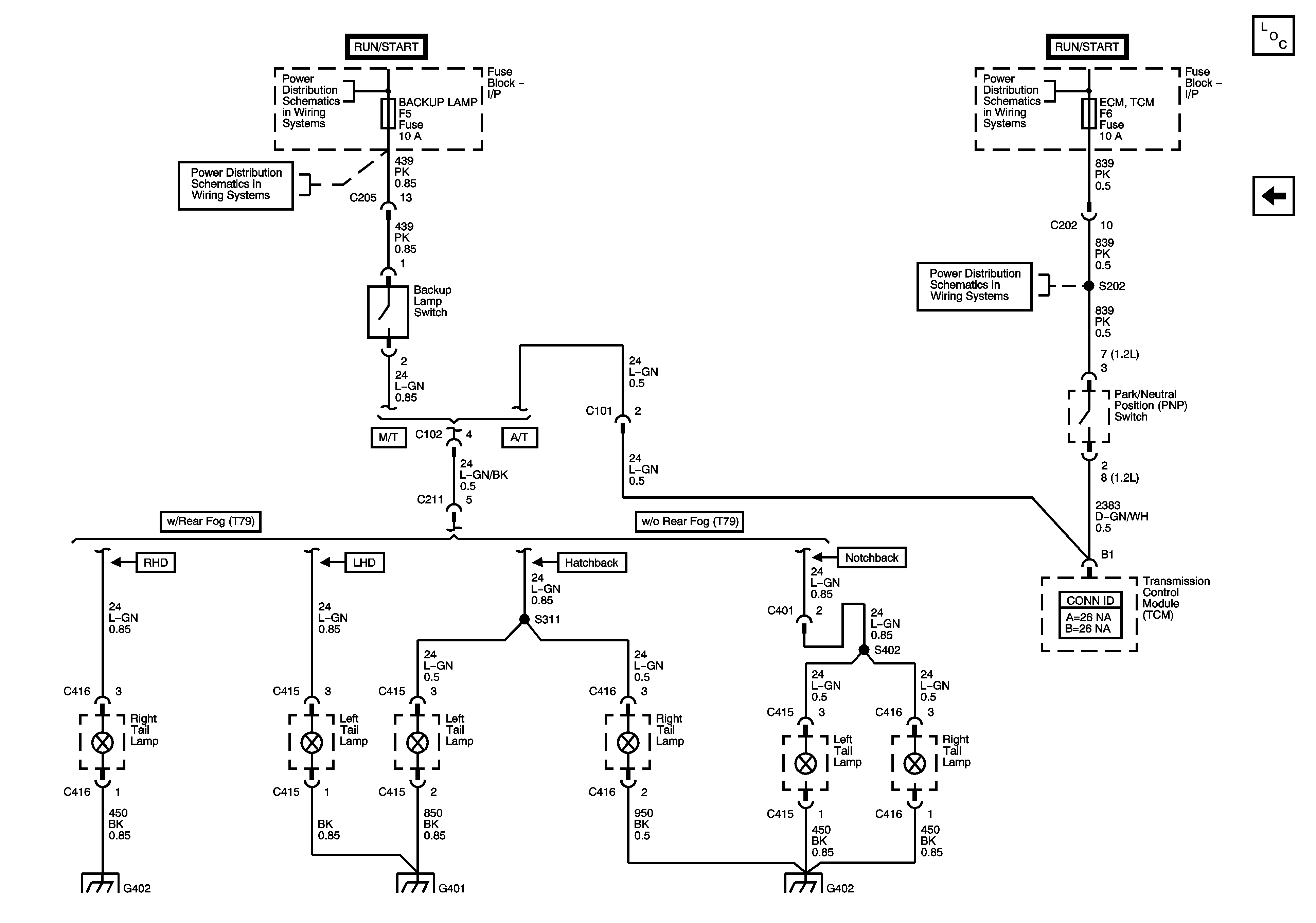
🢒 Backup Lamps
Backup Lamps
Backup Lamps
Master Electrical Component List (Hatchback)
Turn Signals
Battery Feed
Battery Feed
Battery Feed
Battery Feed
Ground Distribution G402
Ground Distribution G401
Ground Distribution G402