GM Service Manual Online
For 1990-2009 cars only
Makes
🢒
Pontiac
🢒
2007
🢒
Wave
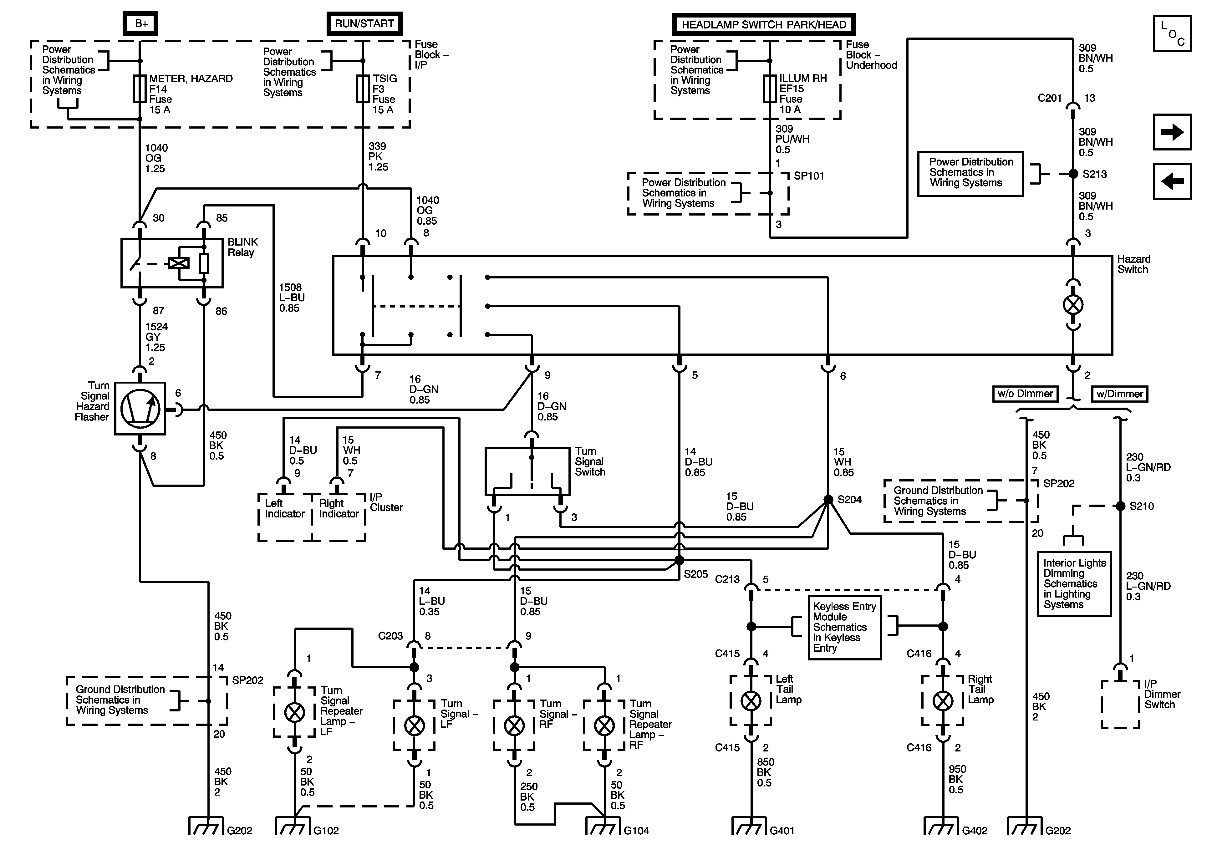
🢒 Turn Signals
Turn Signals
Turn Signals
Master Electrical Component List Hatchback
Backup Lamps
Stop Lamps
Battery Feed
Battery Feed
Battery Feed
Battery Feed
Battery Feed
Ground Distribution G101, G102 - 1 of 2 and G105
Ground Distribution G101, G102 - 1 of 2 and G105
Theft Deterrent and RKE Power and Ground
Lamp Control Module
Ground Distribution G202 - 1 of 3
Ground Distribution G101, G102 - 1 of 2 and G105
G104
Ground Distribution G401
Ground Distribution G402
Ground Distribution G202 - 1 of 3