GM Service Manual Online
For 1990-2009 cars only
Makes
🢒
Pontiac
🢒
2007
🢒
Wave
🢒 Courtesy Lamps
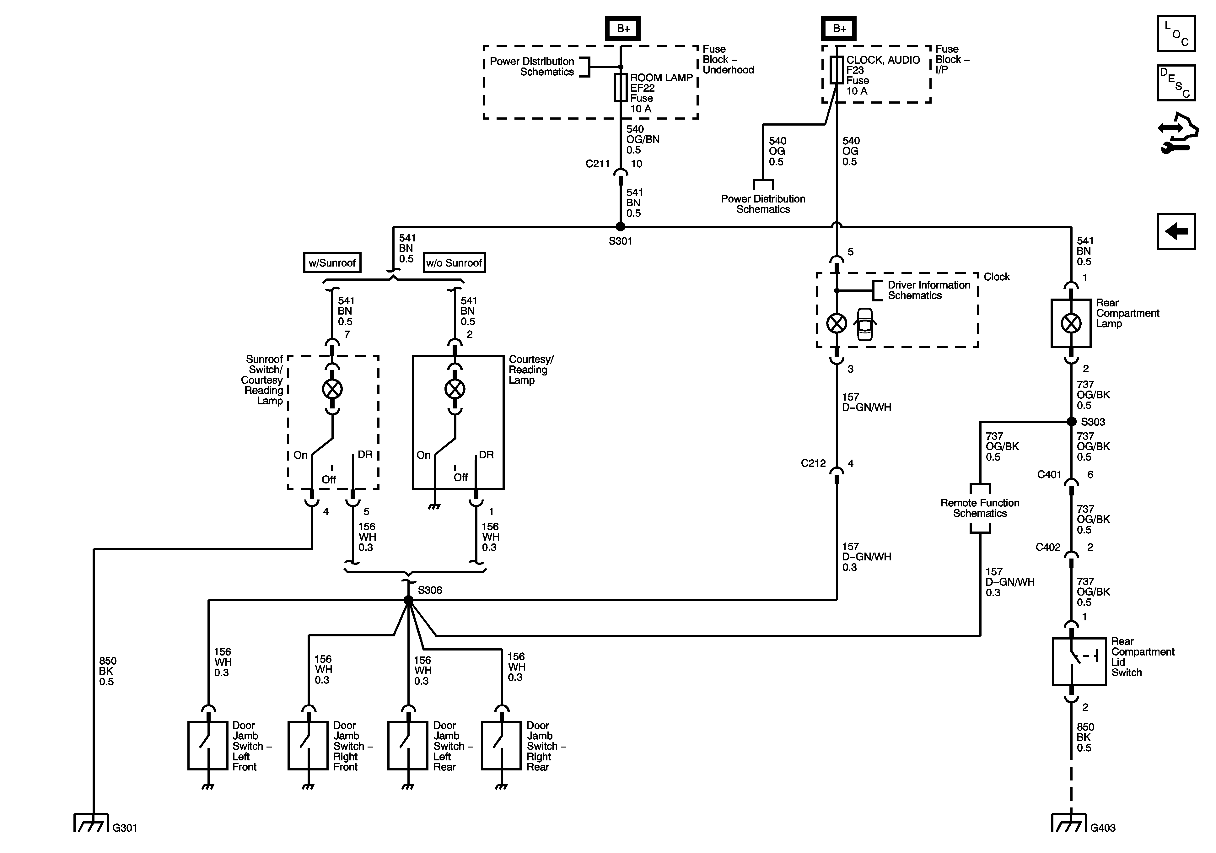
Courtesy Lamps
Courtesy Lamps
Master Electrical Component List (Hatchback)
Interior Lighting Systems Description and Operation
Control Module References
Lamp Control Module
Battery Feed
Power Distribution Fuses EF7,F12, 13, 14, 15, 16 and 23
Clock
Theft Deterrent and RKE Power and Ground
Ground Distribution G301
Ground Distribution G401, G901